Sunday, December 5th, 2021 AT 1:17 PM
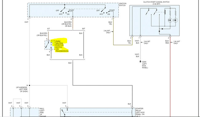
It started when I shifted my automatic transmission from park to drive, indicator light says it's still in park. I can feel the clunk that it is shifting gears and it would operate and run/start. Now it won't start as I don't think the transmission recognizes that it is in park even though the indicator light says it's in park. The shifter still seems to operate as I can feel it appearing to shift gears once I turn on ignition. But when I put into the park position it will not start or even turn over. Again, I don't think the computer recognizes that it is in park.



