Thursday, November 19th, 2020 AT 12:59 PM
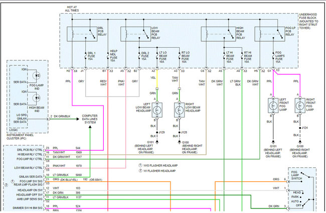
I smashed my headlight out hitting a deer. It ripped my wiring harness for my headlight and I was unable to find it. I bought one and now I am having issues getting the headlight to work properly trying different combinations of wire hookups. The wire colors do not match my car wiring. I believe I have figured out what wire goes to what on the new pigtail. (Black is ground, brown is parking/running, blue is turn, yellow is dim, green is bright) I cannot figure out what wire goes to what from my car side. I have (pink, green, blue, orange, brown).







