Sunday, May 23rd, 2021 AT 5:34 PM
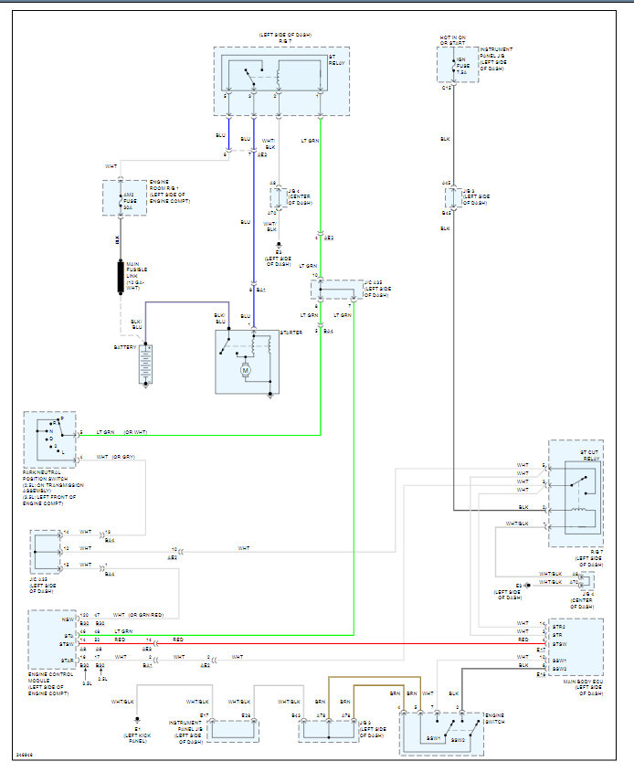
Left the hospital after visiting family, car would not start. Called service, they tried jumping it and it wouldn’t start. He thunked the starter and car started right up. Drove straight to a trusted mechanic and they changed the battery but had no problem starting car. Kept it an extra day and no troubles. Worked fine at home for a week and then same trouble. Everything lights up, but starter doesn’t even click. Couldn’t get to the previous mechanic so I thunked the starter and drove to a nearby commercial garage. They changed the starter and it was great for a week. Then the same thing. It started with a light thunk and runs fine and starts fine but I fully expect the trouble to recur. Any clues what might be the issue? The car has been great and I’d love to trust it again.



