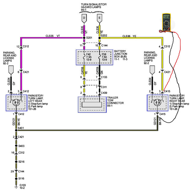
Friday, November 8th, 2019 AT 9:10 AM
Truck listed above - Book at Walmart indicated replacement bulb is 4157 which I installed. Worked at first but next day back to same issue. Checked on line and replacement bulb was listed as 3156 which is big difference. Installed the 3156 and still no rear turn signal on right side. Front right signal is flashing fast but working. Left side is no issue.



























