intake air control valve?

1997 NISSAN TRUCK
177,000 MILES • 2.0L • 4 CYL • 4WD • MANUAL
Avatar
UHSNOEBIRD
  • MEMBER
  • 342 POSTS
When replacing the IACV (intake air control valve) are one of the wires ground and the other one the hot wire?
The colors of the wires for my replacement valve were both black. I'm not sure if it matters which one goes where. If it does tell me. My truck is still occasionally acting up like it did before I replaced this valve. I had the code P0505 before I replaced this valve . Thank you
Jan 12, 2020 at 1:06 PM
Advertisement
Avatar
JACOBANDNICKOLAS
  • CERTIFIED EXPERT
  • 110,187 POSTS
Hi,

Take a look at the pics. First, I have a pic of the harness. There are two pins used of the four. Pin 2 should have battery voltage with the key on. That should be the black and white wire from the ignition. The other wire goes to pin 4.

Let me know if this helps.

Joe
Jan 12, 2020 at 11:07 PM
Avatar
UHSNOEBIRD
  • MEMBER
  • 342 POSTS
I'm getting 12 volts to the black/white wire at the no. 2 pin but the aftermarket IACV has both wires that are the color of black so I don't know if one of them is suppose to be a hot wire and theother one a ground wire but my truck is doing the same thing, when the motor warms up it wants to drop the idling at times and sometimes quit unless I catch it and press the gas pedal and it will start back running right for maybe a few minutes or so and that varies on if it will run or not. When my truck is cold it runs great.What's got me confused is the wire colors on the new after market IACV .Does it matter which wire goes to the b/w connection. Let me know. Thank you
Jan 15, 2020 at 3:14 PM
Advertisement
Avatar
JACOBANDNICKOLAS
  • CERTIFIED EXPERT
  • 110,187 POSTS
Do you have access to a live data scanner? If you do, check the engine coolant temp sensor's reading when the engine is cold and then again warm. Also, note if any black smoke is coming from the exhaust.

Let me know.
Joe
Jan 16, 2020 at 4:10 PM
Avatar
UHSNOEBIRD
  • MEMBER
  • 342 POSTS
I have an Autoxray 7000 scanner and I will connect it tomorrow and see what it shows me on the temperature cold and then when it gets to normal operating temperature and let you know.
I have replaced the IACV-AAC and the part that has wax in it that is used to keep the idling up when it is cold, then when the wax melts it allows the idling to come down, both of these are new. The IACV-AAC is an aftermarket and the wax part is directly from Nissan.
My truck done a little better today but it's still not right.
Jan 16, 2020 at 7:01 PM
Advertisement
Avatar
UHSNOEBIRD
  • MEMBER
  • 342 POSTS
I connected the Autoxray 7000 scanner this morning & the engine temp. was roughly 46 degrees . When I started it it ran alright for a few minutes then it wanting to quit while the motor was cold which it usually waits until motor warms up to a certain degree . It started running okay until it got to 172 degrees and acted up then when it got to 178 degrees it done it again, I pat the gas when this happens and it runs good for a while, at 180 degrees it acted up, then I press gas pedal, then at 183 degrees it started to quit and black smoke came from exhaust, it only got to roughly 185 degrees and it ran for 30 minutes or maybe little longer. Could one of the injectors be flooding out? I don't have any check engine codes.
Jan 17, 2020 at 12:03 PM
Avatar
UHSNOEBIRD
  • MEMBER
  • 342 POSTS
It seems to miss a little bit when I'm driving.
Jan 17, 2020 at 12:06 PM
Avatar
UHSNOEBIRD
  • MEMBER
  • 342 POSTS
Your answers are being sent to the spam folder. how do I correct that?
I have to go spam to find them.
Jan 17, 2020 at 12:09 PM
Avatar
UHSNOEBIRD
  • MEMBER
  • 342 POSTS
I am going to put a coolant temperature senosr on it and see what happens on the truck. What do you think about that ?
Jan 17, 2020 at 2:25 PM
Avatar
JACOBANDNICKOLAS
  • CERTIFIED EXPERT
  • 110,187 POSTS
If the coolant temperature sensor was accurate as far as when cold (was the same as outside temp) and then seemed to follow correctly as the engine warmed up, chances are it's okay.

If you were seeing black smoke, that indicates a rich fuel mixture. Have you checked fuel pressure to make sure the regulator is working?

Here is a link that shows in general how to test fuel pressure. I attached a picture of the regulator location. Lets do this to see if this is the issue.

https://www.2carpros.com/articles/how-to-check-fuel-system-pressure-and-regulator

Here are the directions for testing specific to your vehicle. The remaining pictures correlate with the directions. Also, the specifications are listed in the directions.

_______________________________________

1997 Nissan-Datsun Truck D21 Hardbody XE 2WD L4-2389cc 2.4L SOHC MFI (KA24E)
Fuel Pressure Check
Vehicle Powertrain Management Service and Repair Procedures Fuel Pressure Check
FUEL PRESSURE CHECK
PROCEDURE


pic 2

a. When reconnecting fuel line, always use new clamps.
b. Make sure that clamp screw does not contact adjacent parts.
c. Use a torque driver to tighten clamps.
d. Use Pressure Gauge to check fuel pressure.
1. Release fuel pressure to zero.
2. Disconnect fuel hose between fuel filter and fuel tube (engine side).


pic 3

3. Install pressure gauge between fuel filter and fuel tube.
4. Start engine and check for fuel leakage.


pic 4

5. Read the indication of fuel pressure gauge.

At idling: Approximately 235 kPa (2.4 kg/sq. cm, 34 psi)

A few seconds after ignition switch is turned OFF to ON:
Approximately 294 kPa (3.0 kg/sq. cm, 43 psi)

6. Stop engine and disconnect fuel pressure regulator vacuum hose from intake manifold.


pic 5

7. Plug intake manifold with a rubber cap.
8. Connect variable vacuum source to fuel pressure regulator.
9. Start engine and read indication of fuel pressure gauge as vacuum is changed.
Fuel pressure should decrease as vacuum increases. If results are unsatisfactory, replace fuel pressure regulator.


_______________________________________

Let me know what you find.

Joe
Jan 17, 2020 at 9:19 PM
Avatar
UHSNOEBIRD
  • MEMBER
  • 342 POSTS
it might be a few days before I get back to you, not sure yet but just be patient.
Jan 18, 2020 at 7:29 AM
Avatar
UHSNOEBIRD
  • MEMBER
  • 342 POSTS
I connected my fuel pressure gauge and the reading was 34 psi and I removed the vacuum hose from the fuel pump regulator and the pressure increased to ( plugged vacuum line ) roughly 44 psi and reconnected everything and the pressure went back to 34 psi .
The other day I put a small bottle of the gas treatment for maybe water in the gas, do you think that maybe my problem might be in the gas, possibly ?
I don't have a check engine light on or anything like that.
I will need to find my vacuum pump to do the step you advised me to do on the fuel pump regulator. it might be a few days before I find it, it's raining here now and makes things harder. The truck done better today than it has been doing.
Jan 18, 2020 at 12:09 PM
Avatar
UHSNOEBIRD
  • MEMBER
  • 342 POSTS
I've got one of those fuel pump regulators ordered just in case, might need it down the road if I don't need it now.
Jan 18, 2020 at 1:25 PM
Avatar
JACOBANDNICKOLAS
  • CERTIFIED EXPERT
  • 110,187 POSTS
The pressure sounds perfect. Do me a favor. I want you to check the crankshaft position sensor. Here are the directions. The attached pics correlate with the directions. Interestingly, under certain conditions, the sensor can cause misfire, stalling, no start and so on without setting a code.

___________________________

1997 Nissan-Datsun Truck D21 Hardbody XE 2WD L4-2389cc 2.4L SOHC MFI (KA24E)
Component Testing Procedure
Vehicle Powertrain Management Sensors and Switches - Powertrain Management Sensors and Switches - Computers and Control Systems Crankshaft Position Sensor Testing and Inspection Component Tests and General Diagnostics Component Testing Procedure
COMPONENT TESTING PROCEDURE
COMPONENT INSPECTION
Crankshaft position sensor (OBD)
1. Disconnect crankshaft position sensor (OBD) harness connector.
2. Loosen the fixing bolt of the sensor.
3. Remove the sensor.


pic 1

4. Visually check the sensor for chipping.


pic 2

5. Check resistance as shown in the figure.

Resistance: Approximately 166.5 - 203.5 ohms at 20°C (68°F)

___________________________

Let me know if you have a chance to do that.
Jan 18, 2020 at 5:26 PM
Avatar
UHSNOEBIRD
  • MEMBER
  • 342 POSTS
I'll do that, I have knowledge on using multi-meters and other things relating to that.
I'll see how the weather is tomorrow and see what I can do, that sensor sits behind the motor in front of the transmission near the top , I had one put on it one time a few years. back. Thanks
Jan 18, 2020 at 5:59 PM
Avatar
JACOBANDNICKOLAS
  • CERTIFIED EXPERT
  • 110,187 POSTS
Exactly, that's the one. Please let me know what you find. Also, can you confirm something for me. Originally, you listed this as a 2.0L. They only made it with a 2.4L. I am using info for that. Let me know.

Joe
Jan 18, 2020 at 6:03 PM
Avatar
UHSNOEBIRD
  • MEMBER
  • 342 POSTS
It's a 2.4L , I saw that and was going to correct but forgot to.
I had a friend to put that sensor on for me, it was hard to get to but I will get it checked and give you the results depending on how the weather is, just got over the flu . Thanks for your help
Jan 18, 2020 at 6:15 PM
Avatar
UHSNOEBIRD
  • MEMBER
  • 342 POSTS
In this youtube video is the Wax part I put on it new fro Nissan, if you have time to watch it.
https://www.youtube.com/watch?v=YLXBuNvqjAI
Hopefully you can see it.
Jan 18, 2020 at 6:26 PM
Avatar
JACOBANDNICKOLAS
  • CERTIFIED EXPERT
  • 110,187 POSTS
I watched it. It's been a long time, but I did the same years ago. The flu is out of control this year. I hope you're feeling better.

Take care and let me know the results.

Joe
Jan 18, 2020 at 8:38 PM
Avatar
UHSNOEBIRD
  • MEMBER
  • 342 POSTS
Wouldn't I get a check engine light with one of these codes if my crank sensor was bad ?
These are codes are related to my truck:
P0335, p0337, p0338 and p0339.
Jan 19, 2020 at 6:23 AM
Avatar
UHSNOEBIRD
  • MEMBER
  • 342 POSTS
P0335 = Crankshaft position sensor " A " circuit
P0337 = CPS "A " circuit low input
P0338 = CPS " A ' circuit high input
P0339 = CPS " A " circuit intermittent
This is some information I found
What are your thoughts on this, Let me know. Thanks
Jan 19, 2020 at 6:36 AM
Avatar
UHSNOEBIRD
  • MEMBER
  • 342 POSTS
I filled the gas tank up today and the truck seemed to run fine to the gas station and back. but it's still wanting to drop the idling down and attempting to shut off unless I press the gas pedal to keep it running. I was thinking i might have some water in the gasoline, not sure.
Jan 19, 2020 at 1:08 PM
Avatar
UHSNOEBIRD
  • MEMBER
  • 342 POSTS
The throttle body has been taken off prior to installing these parts, do you think there might be a leak in the throttle body gasket on the bottom and the gasket on the top part of the throttle body. I might be able to use some ether to find out. What's your thoughts on that ?
The ECT ( engine coolant temperature sensor ) is a thermistor, can't these thermistors have a break in their circuit at some resistance when the temperature gets to that resistance ?
I'm thinking that when I receive the thermistor I ordered to put it on an see what happens in case the thermistor has a break in the circuit at different resistances. Hopefully you understand what I just tried to explain.
Shouldn't I be able to connect an ohmmeter to the wires on the computer that run to the crank position sensor and check it that way ? The computer is underneath the passenger seat . What are your thought on that , Joe ? thanks for your answers.
Jan 19, 2020 at 2:17 PM
Avatar
JACOBANDNICKOLAS
  • CERTIFIED EXPERT
  • 110,187 POSTS
Yes, you could have a leak at the TB. Interestingly, I have even see the leak be at the throttle plate where it attaches on the throttle body. As far as the ECT, yes it could be failing as well and what you described is totally possible.

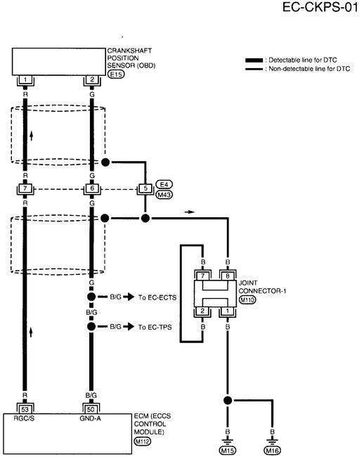
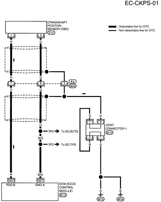
The idea of the codes you have point to an issue with the crank sensor. I don't know if you're up for it, take a look through this diagnostic flow chart and see if it helps. The attached pics correlate with the directions. There was one pic I had to break into three parts so you could follow and read it, but I made sure to overlap it so you can use it.
__________________________________

1997 Nissan-Datsun Truck D21 Hardbody XE 2WD L4-2389cc 2.4L SOHC MFI (KA24E)
P0335
Vehicle ALL Diagnostic Trouble Codes ( DTC ) Testing and Inspection P Code Charts P0335
P0335

pic 1


pic 2

COMPONENT DESCRIPTION
The crankshaft position sensor (OBD) is located on the transmission housing facing the gear teeth (cogs) of the flywheel or drive plate. It detects the fluctuation of the engine revolution.
The sensor consists of a permanent magnet, core and coil.
When the engine is running, the high and low pans of the teeth cause the gap with the sensor to change.
The changing gap causes the magnetic field near the sensor to change.
Due to the changing magnetic field, the voltage from the sensor changes.
The ECM receives the voltage signal and detects the fluctuation of the engine revolution.
This sensor is not used to control the engine system. It is used only for the on board diagnosis of misfire.


pic 3

ECM TERMINALS AND REFERENCE VALUE
Specification data are reference values and are measured between each terminal and (43) (ECCS ground).


pic 4
ON BOARD DIAGNOSIS LOGIC

DIAGNOSTIC TROUBLE CODE CONFIRMATION PROCEDURE
With CONSULT


pic 5

(1)Turn ignition switch "ON" and select "DATA MONITOR" mode with CONSULT.
(2)Start engine and run it for at least 10 seconds at idle speed.

OR

With GST
(1)Start engine and run it for at least 10 seconds at idle speed.
(2)Select "MODE 7" with GST.

OR

NO TOOLS
(1)Start engine and run it for at least 10 seconds at idle speed.
(2)Turn ignition switch "OFF", wait at least 7 seconds and then turn "ON".
(3)Perform "Diagnostic Test Mode II (Self-diagnostic results)" with ECM.

EC-CKPS-01 Crankshaft Position Sensor (CKPS) (OBD) (DTC P0335)

pic 6

WIRING DIAGRAM


pic 7, 8, 9

DIAGNOSTIC PROCEDURE

COMPONENT INSPECTION
Crankshaft position sensor (OBD)
1. Disconnect crankshaft position sensor (OBD) harness connector.
2. Loosen the fixing bolt of the sensor.
3. Remove the sensor.


pic 10

4. Visually check the sensor for chipping.


pic 11

5. Check resistance as shown in the figure.

Resistance: Approximately 166.5 - 203.5 ohms at 20°C (68°F)

__________________________________

Let me know if you can do this.

Take care,
Joe

Jan 19, 2020 at 9:02 PM
Avatar
UHSNOEBIRD
  • MEMBER
  • 342 POSTS
I'll have to wait a little while on that, when it warms up a little bit I'l try to do it. Thank you
Jan 20, 2020 at 5:39 AM
Avatar
JACOBANDNICKOLAS
  • CERTIFIED EXPERT
  • 110,187 POSTS
Not a problem. It's been really cold here too, so I don't blame you a bit. If you have the chance to perform the test, let me know the results.

Take care and keep warm.

Joe
Jan 20, 2020 at 7:09 PM
Avatar
UHSNOEBIRD
  • MEMBER
  • 342 POSTS
Joe, can't I take the plug in off the computer and take an ohmmeter and check the wires going to the crank position sensor that come from the pins 50 and 53 on the computer and check the resistance of that CPS sensor that way?
Jan 20, 2020 at 8:07 PM
Avatar
UHSNOEBIRD
  • MEMBER
  • 342 POSTS
Joe, if that crank position sensor is bad shouldn't the check engine light be on and when I connect a diagnostic scanner it should give me the code P0335 if it's bad ? Just double checking.
Jan 20, 2020 at 8:40 PM
Avatar
UHSNOEBIRD
  • MEMBER
  • 342 POSTS
Joe, I cannot find your reply, sorry.
Jan 20, 2020 at 9:07 PM
Avatar
JACOBANDNICKOLAS
  • CERTIFIED EXPERT
  • 110,187 POSTS
Yes, you can test it that way. However, make sure the battery is disconnected both before unplugging the PCM and plugging it back in. Once you finish the test, reinstall the connector and then connect the battery.

In most cases, the crank sensor will set a code. However, under some conditions, it won't. Take a look through this link. Start at paragraph three.

https://www.2carpros.com/articles/symptoms-of-a-bad-crankshaft-sensor

Let me know.

Take care.

Joe
Jan 21, 2020 at 4:50 PM
Avatar
UHSNOEBIRD
  • MEMBER
  • 342 POSTS
Joe, hang loose I'll get to it when it warms up some . I should have an extra CPS some where just need to find it. Don't want to get that flu again the Coronavirus that originated in China is in the United States now, scary.
My truck is running a little better, it might be some water in the gas, just have to wait and see.
I will check the CPS resistance when it warms up a little more .
I appreciate your help on this matter. I will be getting back in touch . Thanks
Jan 22, 2020 at 6:06 AM
Avatar
JACOBANDNICKOLAS
  • CERTIFIED EXPERT
  • 110,187 POSTS
Not a problem. Take care and hope you're still feeling better.

Joe
Jan 22, 2020 at 7:38 PM
Avatar
UHSNOEBIRD
  • MEMBER
  • 342 POSTS
I've got a crank position sensor ordered just in case I need it, be Monday before I receive it. This might be the problem because my truck keeps wanting to quit during idling. I will let you know the outcome. Take care
Jan 22, 2020 at 8:00 PM
Avatar
UHSNOEBIRD
  • MEMBER
  • 342 POSTS
Joe, I received and installed crank position sensor and the truck is running fine. drove it about 20 miles and everything seems okay.
It quit on me one time while I was idling and in a turn going slow but I think that part fixed it. I will follow up on this in a few days to fill you in. Thanks for your help!
Jan 28, 2020 at 12:49 PM
Avatar
UHSNOEBIRD
  • MEMBER
  • 342 POSTS
I drove it tonight and it's still wanting to drop the idling out and quit, I checked the resistance of the front 2 fuel injectors and the readings were about 9-10 ohms each on both of them. I will check the other 2 tomorrow and see what they read.
Do you have anymore ideas on what wee can do? Do you think an injector might be sticking? Thanks
Jan 28, 2020 at 6:26 PM
Avatar
JACOBANDNICKOLAS
  • CERTIFIED EXPERT
  • 110,187 POSTS
Hi,

Anything is possible. I don't remember if I already asked, but if you can get your hands on a live data scanner and let me know what both the short term and long term fuel trims, I could answer you about the injector with more certainty.
Jan 28, 2020 at 7:47 PM
Avatar
UHSNOEBIRD
  • MEMBER
  • 342 POSTS
I have that Autoxray 7000 but I cannot get the year on it to come down below the year 2000 for a Nissan and that's for 2 cars they have listed on this scanner but I seen the fuel trim on it the other day when I had it connected but I think it will give us what we are after. Do you want the readings when it's cold and when it warms up and when it starts acting up and when it starts to quit ? Let me know. Thanks
Jan 28, 2020 at 8:50 PM
Avatar
UHSNOEBIRD
  • MEMBER
  • 342 POSTS
I started the vehicle up and here is what I got withe scanner: ST FTRM1 % 3.9
LT FTRM1% -10.2 let it idle for a while when temperature was 162 degrees ST FTRM1% 1.6
LT FTRM1% -10.2 Then when it got to 181 Degrees ST TRM1% 1.6
LT FRRM1 -10.2
Then I gave it a little gas and this is what it gave me ST FTRM1% -7.8
LT FTRM1% -1.6
My truck had never attempted to quit during the idling during this time.
I drove it about 1 mile and it idled fine. Then I drove it a short distance and while it was idling it attempted to drop the idling out and quit.
While I'm driving it seems like it miss hits a little bit. Tell me what you think. There are no check engine codes.Thanks
Jan 29, 2020 at 10:01 AM
Avatar
UHSNOEBIRD
  • MEMBER
  • 342 POSTS
Joe, I have an extra distributor, I might try replacing the one in the truck sooner or later. What's your thoughts on that ?
Jan 29, 2020 at 12:46 PM
Avatar
UHSNOEBIRD
  • MEMBER
  • 342 POSTS
I forgot to tell you that when I had throttle body off I cleaned the throttle plate and holes in it with carburetor cleaner so you will know the things that's been done to it. This is when I replaced the parts I told you about in the early part of our conversation on this problem.
Jan 29, 2020 at 1:13 PM
Avatar
JACOBANDNICKOLAS
  • CERTIFIED EXPERT
  • 110,187 POSTS
Hi,

The fuel trims are done when it is warmed up. When the engine is cold, it runs in what is called an open loop. Basically, fuel mixtures are predetermined by the computer. Once the oxygen sensors start to vary in voltage, the system goes into a closed loop. That is when the fuel trims become relevant.

I noted you indicated temperature. Here is what I can tell you: They are not far off. The idea that they are negative numbers indicate the computer is trying to lean the fuel mixture, but with the readings present, it shouldn't be causing the problem. In a perfect world, the STFT should be 0. Your readings are close enough to it and wouldn't cause an issue. Like you, I am starting to think it may be electrical and not fuel related. The distributor you have, is it new or known to be good?

Joe
Jan 29, 2020 at 8:00 PM