Tuesday, February 21st, 2023 AT 9:02 PM
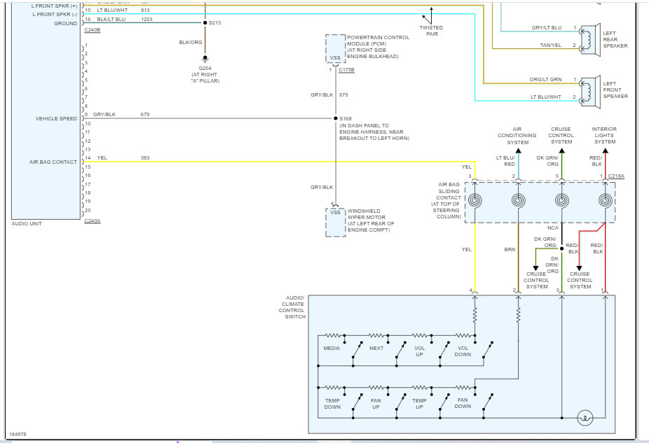
So, I have a aftermarket stereo from Amazon and after I bought a wire harness, I hooked up all the color coated wires, the stereo turns on, but I have no sound, I heard plugging in a blue/white wire can fix it, but I don’t have one on the stereo. I also have a left-over orange/black wire, a grey and plain blue wire, I hooked all the wires I could up to the aftermarket harness and those are just leftovers, would any of those wires cause no sound?




