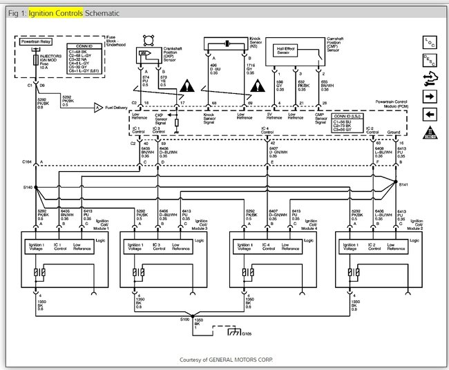
Tuesday, August 14th, 2012 AT 5:13 PM
While driving at freeway speed car overheated, I stopped and added coolant, as it was low. Temp light went off. Later same day overheated again, as I pulled into a turn lane to get off of the freeway the cobalt died and wouldn't start again, some smoke coming from eng. Compartment. Now when I try to start it all I hear is (I think) the sound of the starter spinning. Car has 197,000 overall, but I replaced the engine with one that had approx. 40,000 on it about 10-12,000 miles ago. Replacement engiune was out of a Ion from Canada.


