Tuesday, January 29th, 2019 AT 1:51 PM
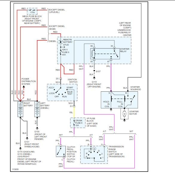
I put a new starter and fuse in, we were even able to put two clamps on the starter underneath and do a jump to see if it would jump start and it would. It would not do a full start but would turn over, all lights work, when I turned the key you could hear a clicking sound in the fuse box and that is gone. You can hear the fuel also. So I was told it might be the purple wire. I'm not sure what that is and is this hard to take care of? Do I need to do a complete wire from battery to starter or ignition to starter? What do you recommend? Thank youu so much for your help


