Saturday, August 1st, 2020 AT 6:26 PM
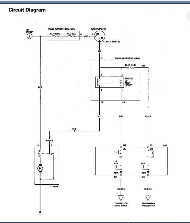
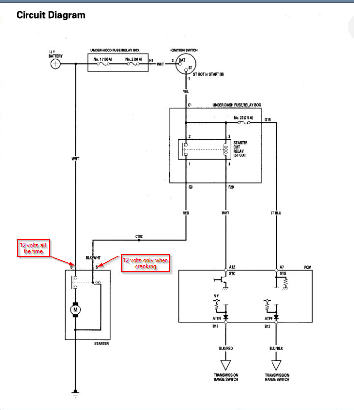
I have a new battery in engine compartment. I tried replacing starter but nothing happens when I try to start it the dash lights up fine when ignition is turned but all I hear is a click in the back seat and that is it. New starter has the same symptoms. Is it possible the hybrid battery needing replaced can cause this? It will not jump start either. Even with jumper cables you get same symptoms. I am stumped as I would have thought it was the starter.



