Tuesday, May 2nd, 2023 AT 8:49 PM
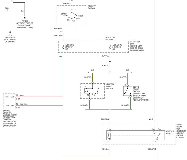
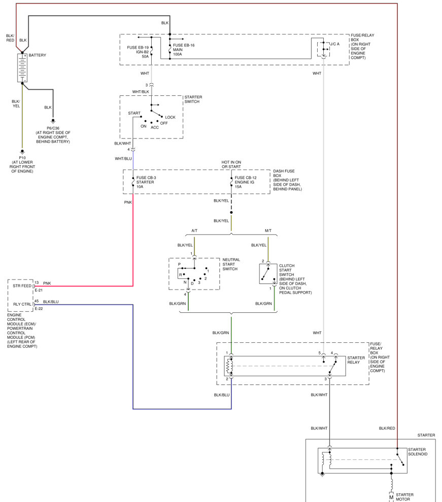
Swapped auto transmission to manual. It had 2 cars, 1 manual and 1 auto. Needed to fit manual transmission into auto so exchanged gearbox etc, with harness. Now it won't start. Thinking I need to bridge a wire or something that went to the gear selector switch but need a pinout for the harness plug to identify the wires.



