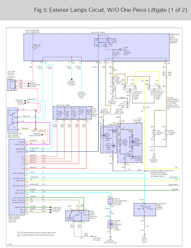
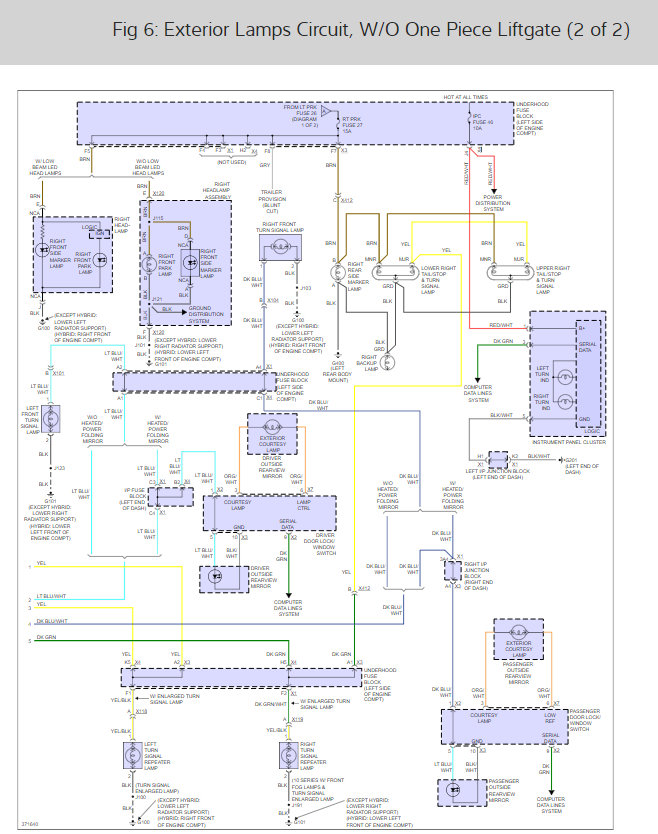
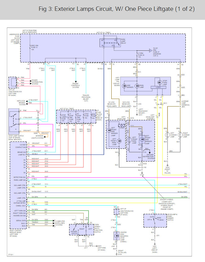
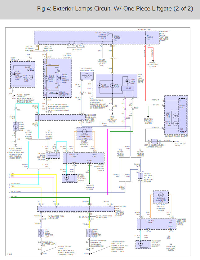
So, my LED lights on both left and right as well as the top rear light don't work as running lights suddenly. Lights are not burnt out as when I press on brake, all lights light up as brake lights. They are just not running on their normal dim running light. all other parking lights work, on back and front. just the two rows that function as both break and running lights. I only find a parking light fuse in the motor fuse box. nothing in the cabin fuse box that would relate to running lights.
Dec 13, 2014 at 10:33 AM






