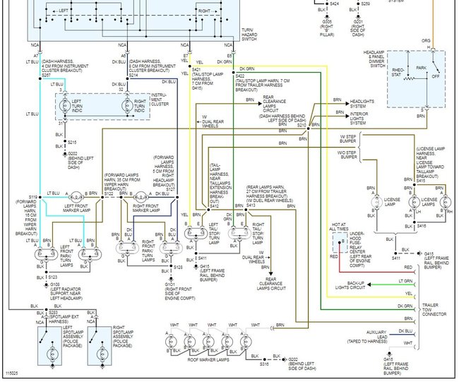
Thursday, September 22nd, 2011 AT 3:41 AM
My tail lights will not come on when all the lights are on. The brake and the hazzard lights both work, but the rear park light will not come on. Checked all fuses and the are all good. What can be the problem then the fix?


