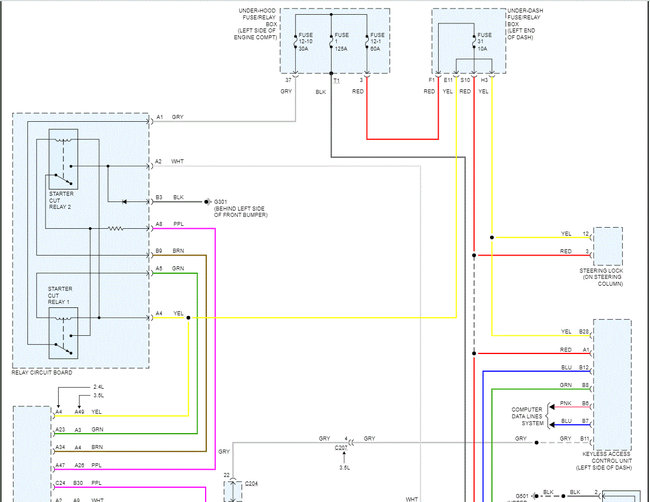
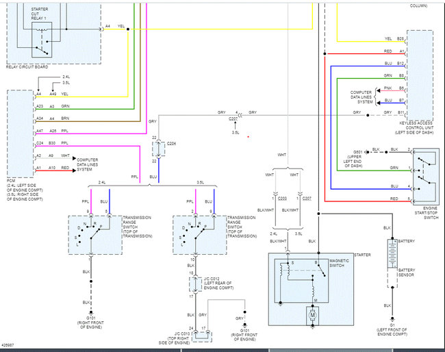
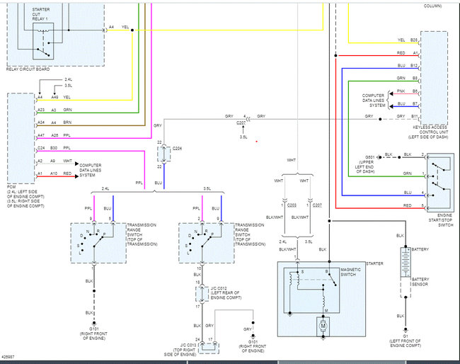
Friday, April 24th, 2020 AT 8:09 PM
When starting sometimes won't start just click. Sometimes after 3-4 tries it starts. Replaced starter and battery sensor. Worked for a couple of months now have the same problem. Battery good alternator good. Had original starter tested and it passed. Don't know what's wrong with it.









