1990 Pontiac Grand Am Engine Size unknown Wheel Drive Type unknown Automatic 165000 miles
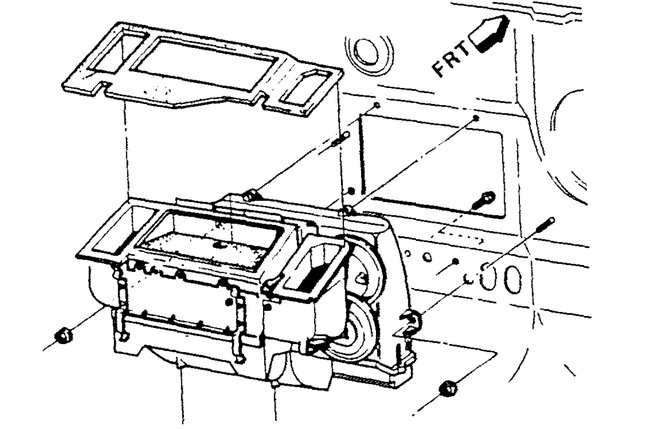
Almost a month ago, I began to notice puddles of water in my passenger floor board. I was told that meant my heater core was bad and it was also why my heat wasn't working. I had a mechanic replace the heater core. Once that was done, I had to force my temperature selector to move(it was stuck in the middle) and my heat still didn't work. We then went on to replace the thermostat. My heater still does not work. What could the problem possibly be?
Thursday, December 13th, 2007 AT 11:02 AM


