Monday, September 12th, 2022 AT 6:42 PM
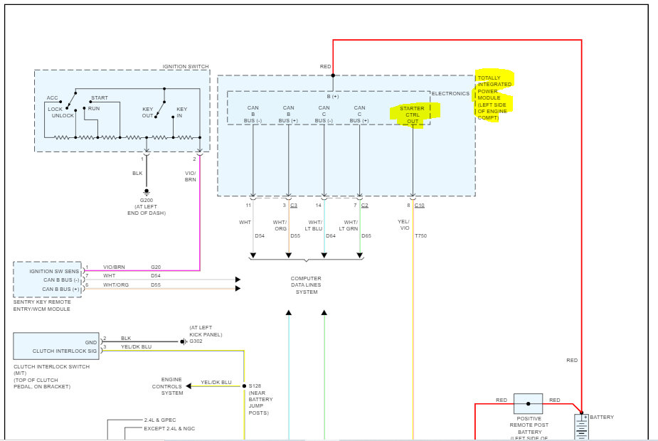
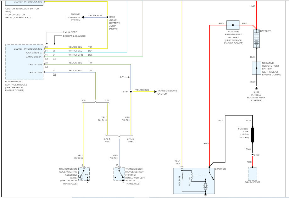
Okay, I was driving, and it happen to be about 100+ degrees out, anyways I drove about 40 miles when my instrument cluster went weird the speedometer and RPMs and the temperature gauges all stopped working and at the same time my indicator lights for the brake, ABS, and seat belt all lit up and stayed that way. Well, I drove about 10 miles after that stopping and going but I knew if I shut it off it probably wouldn't start again, and when I got to my friends, I shut it off and won't crank or start. So, I've checked all fuses, relays, and even took a multimeter to some wiring and grounds everything's fine. So, I went and took a jumper wire to the starter, so I directly hit the starter and it cranks and it even started for about 2 seconds and shut off, so I ordered a new PCM and I got it, and that's not it either same thing, I can run a jumper to the starter and crank and starts for about a second then shuts off, what's going on? I also hooked up the OBD reader and it gets all the way to 100% then tells me it can't communicate with the car and tells me to check to see if it's on the on position and the dlc. So, that's all fine, can someone please help, because I bought a PCM for no reason.







