Wednesday, October 2nd, 2024 AT 5:12 PM
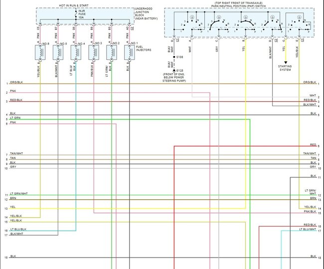
I've been in the process of replacing my motor and transmission on my car listed above Ultra and now that everything is back together when I turn the key there's nothing, no crank, no start, no fuel pump. So, I hooked a scan tool to the vehicle and there is also no communication with my computer. I have looked everywhere for a pinout diagram that lists everything for my PCM and what power wires go where but I have been unsuccessful at finding something.













