https://www.2carpros.com/articles/how-to-use-a-test-light-circuit-tester
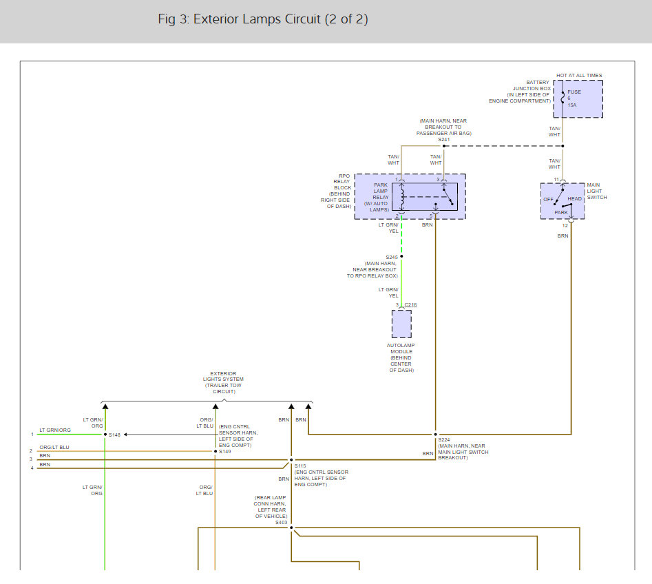
Here are the blinker light wiring diagrams and you can see there is no PDC in the circuit except for the fuses.
Please let us know what happens.
Cheers, Ken
Was this helpful?
Yes
No
Tuesday, July 28th, 2020 AT 12:15 PM
(Merged)






