Monday, March 25th, 2019 AT 10:59 PM
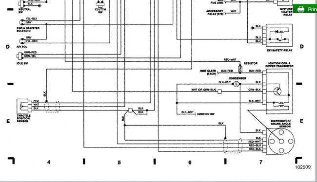
While parked on the street, rainwater came under the door and fried the ECU. After getting the new one (no instructions if needing to reset, test drive, etc.), And installing it, the car runs very rough at idle or while driving. It shakes/jerks while driving through the gears(four speed), loses power, gets terrible mileage, and black smoke comes from tailpipe. You can smell gas. Checked plugs and 02 sensor, they're covered in soot. Tuned this car nine months ago(including 02 sensor). I'm worried that something else might've fried. Connections and harness at ECU seem okay (no melted wires/connectors). The ECU is claimed to be right for this car, although the number's are slightly different than OEM. Evidently because the cross reference number is the replacement for OEM number. The car did seem to run very good one day, then went back to rough idle/driving after car was turned off. Had so called experts say it is because of bad TPS, Air flow meter, intermittent signal from wires or harness, wrong ECU. The car ran very good before this happened. Need help quick. Thanks.























