Thursday, June 23rd, 2022 AT 9:56 PM
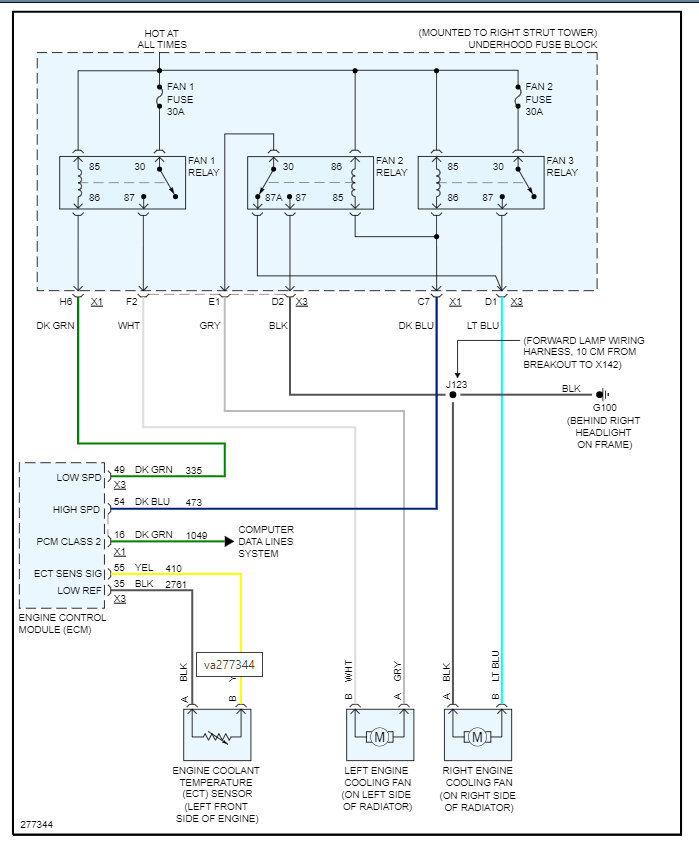
I have the car listed above GXP model. Recently I had an engine installed. Car was running hot and discovered the cooling fans were not working. Upon further investigation I found that the wires from fan to fuse box were cut. Please see attached photos. The wires are same colors 8n both ends but when I spliced them together the fan did not work. I direct wired fan to battery and fan works fine. Used test light power is good 8n relay spots. What am I missing here?


