Wednesday, March 17th, 2010 AT 11:57 AM
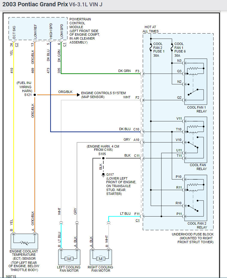
I recently was experiencing my engine overheating as well as a loss of heat in my car. I took it in found out the intake gaskets were cracked along with the bypass hose. Got those fixed as well as a new thermostat and coolant temperature switch. Heat works fine now and I'm not losing coolant anymore, but the engine is still overheating. Found out that the one radiator fan is not coming on. It will come on if I turn on the A/C like it's supposed to but not when the coolant gets hot like it should. Any idea what is wrong? I've also checked the fuses and relays and those are all good.











