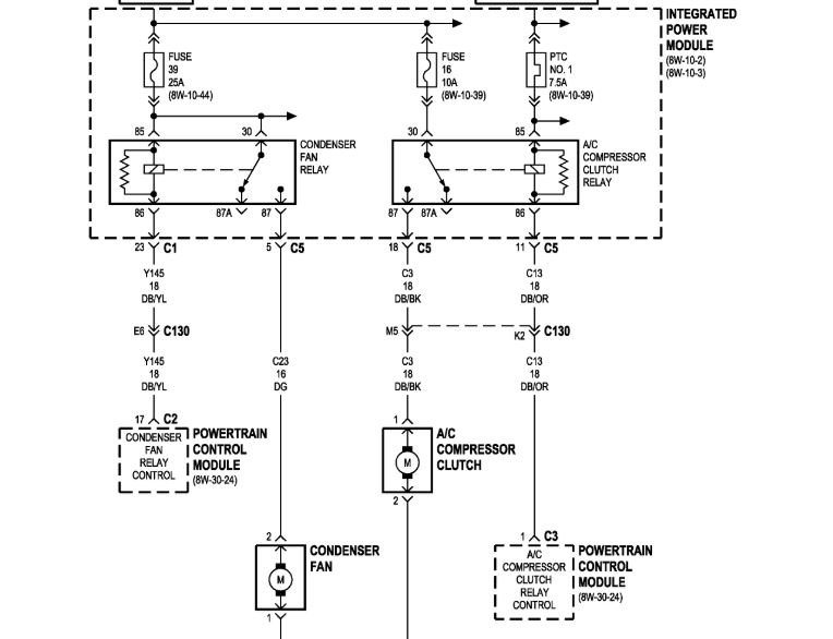
I attached a wiring diagram for you to view. At the relay, you need to verify power to two terminals with the key on. Do this with the relay removed.
If you do not, then check the fuses listed in the fuse block.
If you do, then the PCM grounds the control side of the relay once it gets a signal from the low pressure switch on the AC line. There must be at least 20 lbs for the switch to close. Once the PCM sees that signal, it will ground the relay and turn on the fan.
The high side will also kick it on when it gets to 150 lbs on the high side. Do not jump it, test it for power on both sides with it connected.
Roy
Was this helpful?
Yes
No
Friday, April 23rd, 2021 AT 10:49 AM
(Merged)




