Monday, July 1st, 2019 AT 4:26 PM
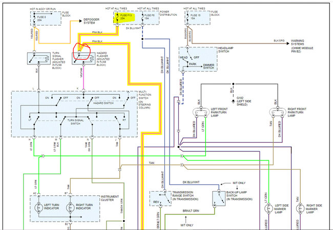
When I pull the headlight switch out all my lights work, but when I depress the brake pedal nothing changes. I don't have power on my white/tan wire from the brake switch. So I checked power to the brake switch and have no power to the brake switch, but it looks like the fuse has power if it is fuse number 4. If its fuse number 8 it has no power. Why is their no power to the switch and which fuse is the power for the brake switch.



