Tuesday, July 24th, 2012 AT 2:35 PM
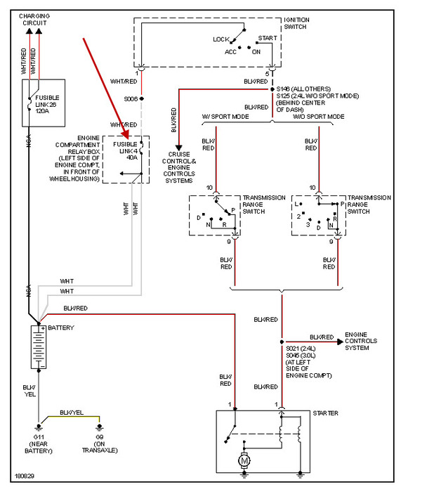
I have an '04 Dodge Stratus SXT. It is a 2.4L 4-cyl SOHC. I was having intermittent starting problems for a while, but nonetheless could always get it started. Changed my oil one day, and could not get the car started the next day. I know this is an ignition problem. I replaced my starter and it seemed to help. The problems then still persisted occasionally. After my next oil change, same problem, and so I took it in to a shop. They told me my crankshaft seal had ruptured and leaked oil onto my crankshaft position sensor, allowing my car not to start. This also explained why all I heard was the "click" of the solenoid/starter when attempting to start the car. They replaced the sensor, seals, even did a timing belt/water pump/tensioner replacement (since the car is pretty old and needed it). Now I am back in the same boat, the car starts intermittently and only "clicks" when it won't start. The problem is not as near as frequent as before, and it always seems that when I take it back in it starts just fine. A guy at the shop mentioned that it might be that they need to put an OEM sensor in instead of after-market, that sometimes older cars of my make reject the after-market parts. I just wanted to see if anyone else had any thoughts on this matter. Thanks!


