Thursday, October 22nd, 2015 AT 7:49 AM
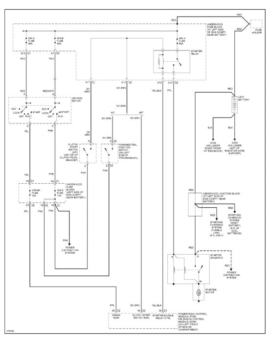
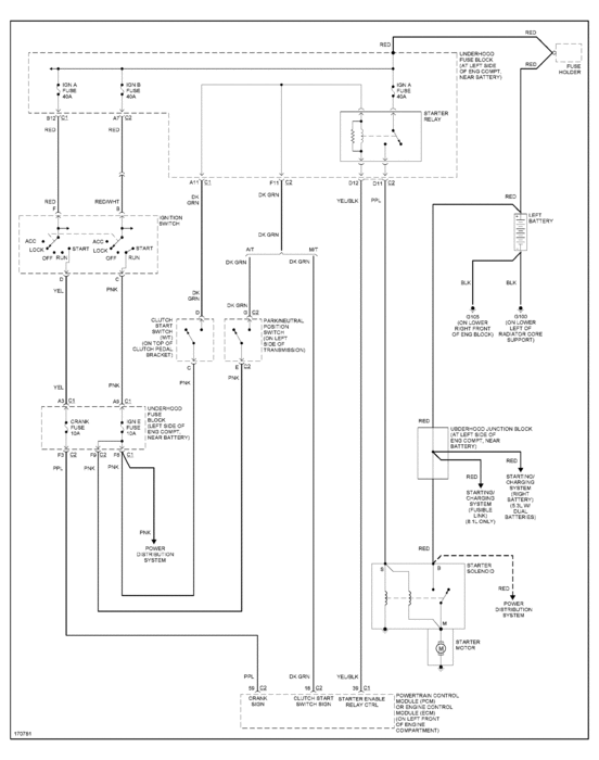
I have a 2003 silverado 1500 with the 4.3 vortec 5 speed and recently my truck stalled whIle driving I put it in neutral while rolling and started it again drove for a couple seconds the stalled again. Only this time it wouldn't turn over I left it sit for a day it started again drive it home it sat now he the truck at first would turn over and had a problem starting after replacing the oil pressure sending unit the truck will not even turnover now but all internal lights work and vats lll ight stays on when I turn the key on also I don't know if relevant after a couple tries turning the key dash lights and low beams stay on after key removal I really need to get this fixed soon or I'm gonna lose my job









