Sunday, February 16th, 2014 AT 4:54 PM
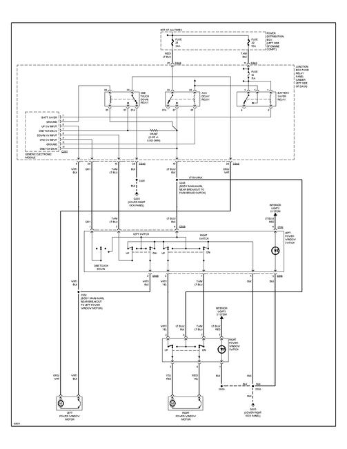
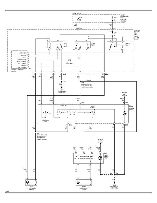
I have a 1998 ford f150 6cylender, 4.5 lt, my power windows are not workining power , I checked the old motor replaced them and there still working but they are not getting power, I also checked the 30 amp fuse, and its ok, I don't know where else to check, only miles of twisted wire, or an expensive mechanic? What else can I try? Plz help


