Tuesday, February 1st, 2011 AT 5:52 AM
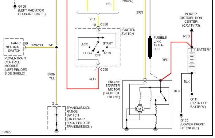
95 neon wont start. It turned over this morning for a few seconds then stopped. Battery not dead still have dash lights ect. Had codes read few weeks ago said neutral safety switch bad but when I looked it up it says their only on automatics I have 5 speed.


