Sunday, May 6th, 2012 AT 6:14 PM
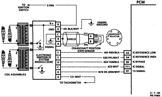
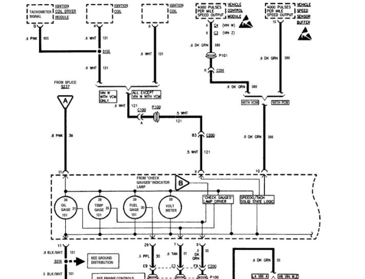
I have 95 chevy s10. 2.2 4cyl manual. I need to install a tach instrument cluster and my truck did not come with one stock. I know I need to install a wire to my ignition coil but I have 2 coils. One is for the # 1 and 2 cyl and the other is for 3 and 4 cylinder. Which one should I attach new wire to?







