Monday, September 18th, 2017 AT 6:49 PM
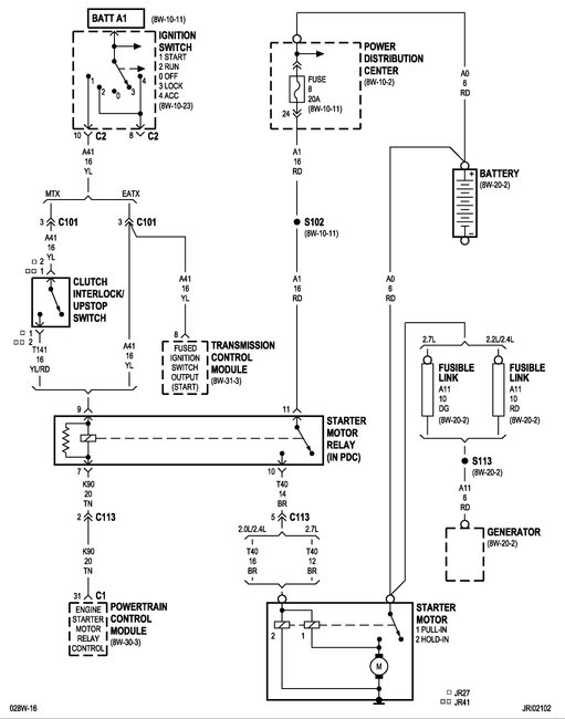
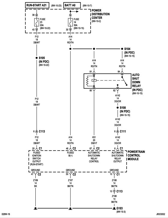
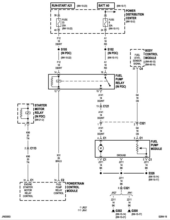
Hi, this is my daughter's car. It will not turn over with the key? I can jump a wire to the starter and it will turn over but not start. I cannot hear the fuel pump hum so I am guessing that is why it will not start. It ran fine until one day this just happened. She walked out and got nothing. All headlights, blowers, etc are working. I am assuming that the lack of power only to the starter and fuel pump happening at the exact same time are related. My question is what can cause this? And I checked all the fuses. Haha! The only other information I can add is that after switching the key on off multiple times I got a no bus under the odometer. Furthermore, it is not throwing any codes. Thanks in advance for your help!





