Tuesday, June 7th, 2022 AT 4:46 PM
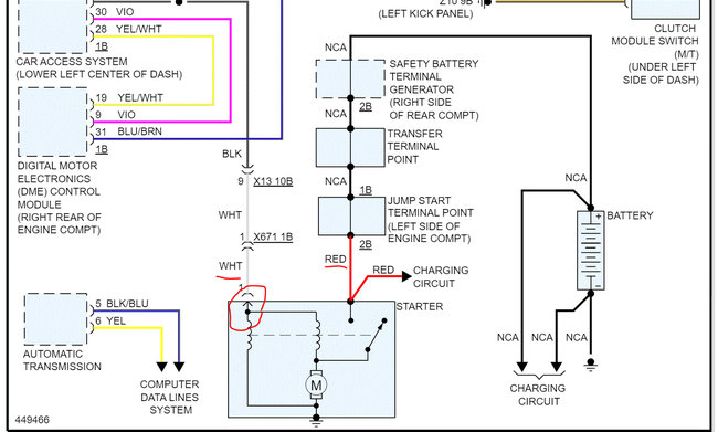
I know the battery is bad, measures 6v and with the battery load test it shows weak then with weak it shows bad, but even with a jumper box I just hear a click. But the thing is, when it tries to or when it clicks everything in dash goes blank as if there is no power or battery, even lights go off. I am going to put another battery tomorrow, but would a weak battery make it go blank when trying to start?








