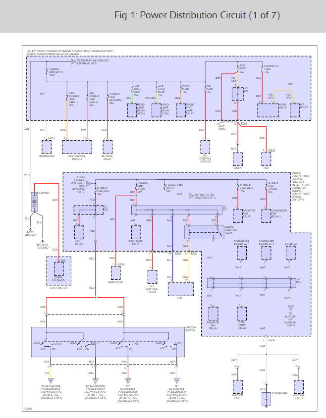
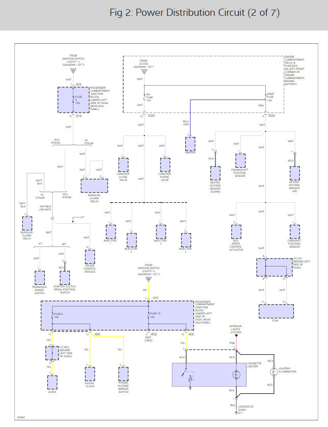
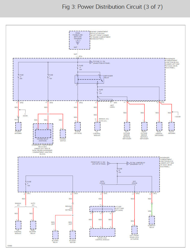
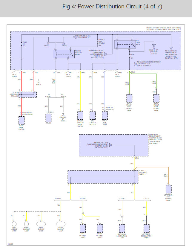
I began separating and protecting the wires starting at the back. Things were getting better all the way to the splice near seat. Mind you several bolts and metal fasteners were removed. I replaced fuse box and got harnesses from junk yard but had to cut them out taking the portions of my car that had damage. So I started mending and shielding and prior had no problems starting car. Now once I got the front wires separated and mended Not completely reassembled the car will not start or even click. I did bolt back a metal cover in front of fuse box and now I have a crank. Either way I have an extra red wire and my lights stay on without a key and the locks will not auto lock so I obviously scrambled some wires in the one melted connector. I bought the Haynes manual and there schematics show no connectors. Or harness routing or wire color and I cannot find anything online I can understand or with correct color coding to figure out where I crossed the wires. Also, are there possibly more bolts that have some grounding points that involve the starting system? I need the loom and connector/harness routing with connector pinout with colored wiring diagram and component location. Thoughts?
Wednesday, May 16th, 2018 AT 11:13 PM








