Sunday, March 12th, 2023 AT 7:28 PM
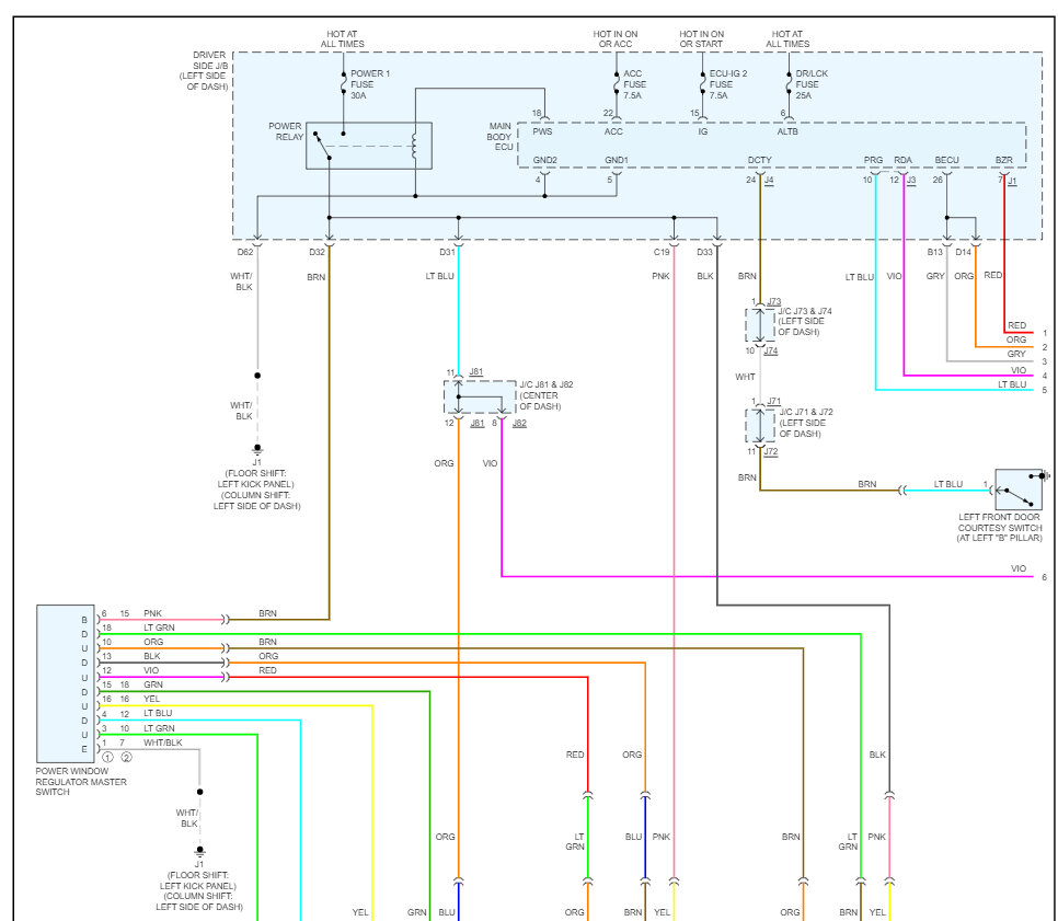
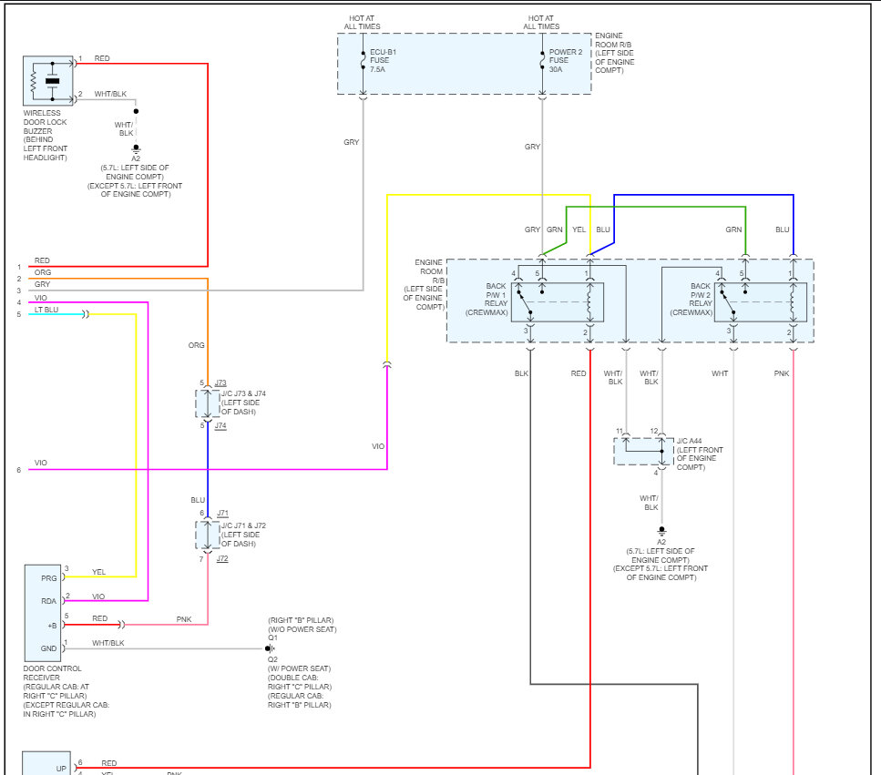
Okay, so I bought my truck. Saw aftermarket trailer brake install. I didn't like it. So, I removed said unit and all the wiring harness for it. Well turns out that trailer brake was one wire and the harness I removed was the remote start, alarm system that was installed. Dealer never received the key for said system. Anyways when I removed all that. My truck windows stopped working. None of them work. I double checked the fuses, nothing blown. I checked continuity at master window switch no power on pink wire. I followed said wire to the fuse panel in the driver side panel. The pink wire is supposed to receive power from brown wire. My continuity checker is getting no reading of power. The only thing receiving power is the power lock on the window switch panel. I'm at a loss for words. I can't figure this out. Idk if there is a relay involved in this. Or if the driver side fuse panel has a relay built it. I had no problems with the windows before. It only started after removing the alarm system. The 30amp fuse isn't blown either.





