Friday, May 7th, 2021 AT 7:55 PM
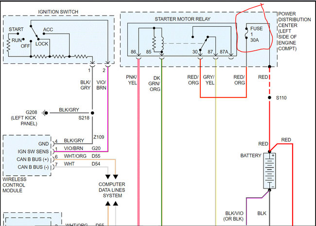
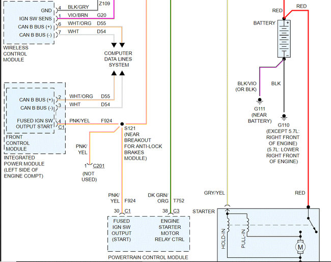
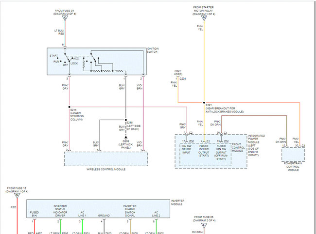
New battery, new starter new ignition. Battery terminals cleaned. When you turn it over it, all regular lights and functions work. But it will not start. There is no power going to the F8 wire. We don't know where the power comes from for that fuse. We have reset the factory alarm system that does not work either. You can use a wire and bypass the starter and it will start. Help!













