Thursday, February 22nd, 2018 AT 5:13 PM
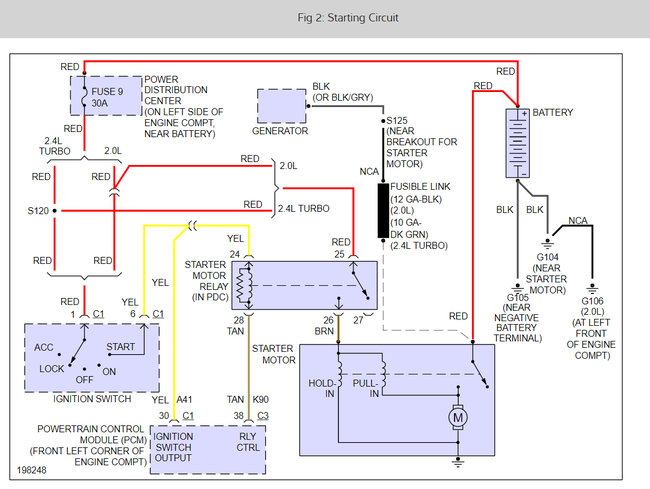
My transmission went out so I replaced it with one from a pull apart and they said they test all their parts. Anyways, after putting the new transmission in I tried to crank the car but all it does is turn over but will not start. The battery light is on so I tried to jump it off but that did not work. What should I look for to try to fix this problem?


