Monday, August 25th, 2008 AT 1:58 AM
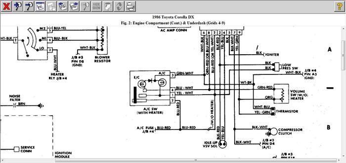
My A/C turned off the other day while I was using it. It had been operating normally up to that point. The indicator light in the On/Off button is off. I hve the Toyota Svc Manual and checked the 3 A/C relays and fuse which are located in the box on the front right side (as looking fro the front of the car). The one that is in front of the box which contains all of the other fuses for the car. I hve taken the relays out, applied a voltage source to the coil terminals and measured for continuity at the contact terminals. This part all checked out. I also performed a continuity test on the On/Off switch per the svc manual and this also checked normal. Lastly, there is one wire w/connector which comes out of the A/C Compressor which plugs into a wiring harness. I unplugged the wire and tested for voltage at the connector on the harness side and found none. I checked the resistance at the wire coming out of the compressor and it measured zero (not infinity). Is there anything else I can check? Or do I just bite the bullet and take it ito the local Toyota dealer? Tnx in advance for any help/and or suggestions you can give me.


