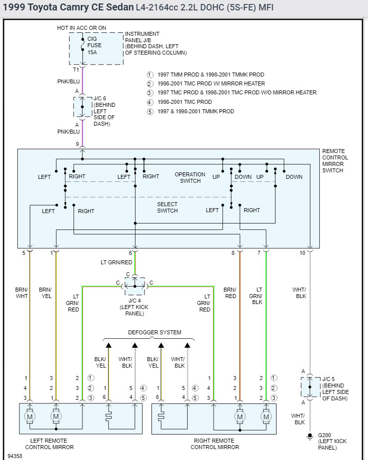
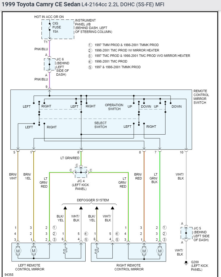
I have a 1999 camry 4cyl 116000 miles. My wife broke the passenger side mirror when she tried to get the car into the garrage.I bought a replacement mirror which has a three pronged connector with black/white/red colors. But in the vehicle there was no connector just a cut wire with yellow/blue/gray.I looked around for a connector in shops like autozone, o'Reilly etc.I even asked the dealer and he doesn't have.I think only option is to cut the connector in the replacement mirror and connect thru some sort of butt connector.
what I found in the replacement mirror wires is, they painted a streak of another color in the wires. On white wire there is a blue streak. On the red wire there is gray streak. My thinking is if you connect white, black, red to blue, yellow, gray.
I tried connecting white, black, red to blue, yellow, gray. Problem is when I press up and down the mirror moves left and right and when I press left and right the mirror moves up and down. I don't know what is wrong.
Wednesday, May 5th, 2010 AT 12:52 AM










