Saturday, April 2nd, 2022 AT 6:18 AM
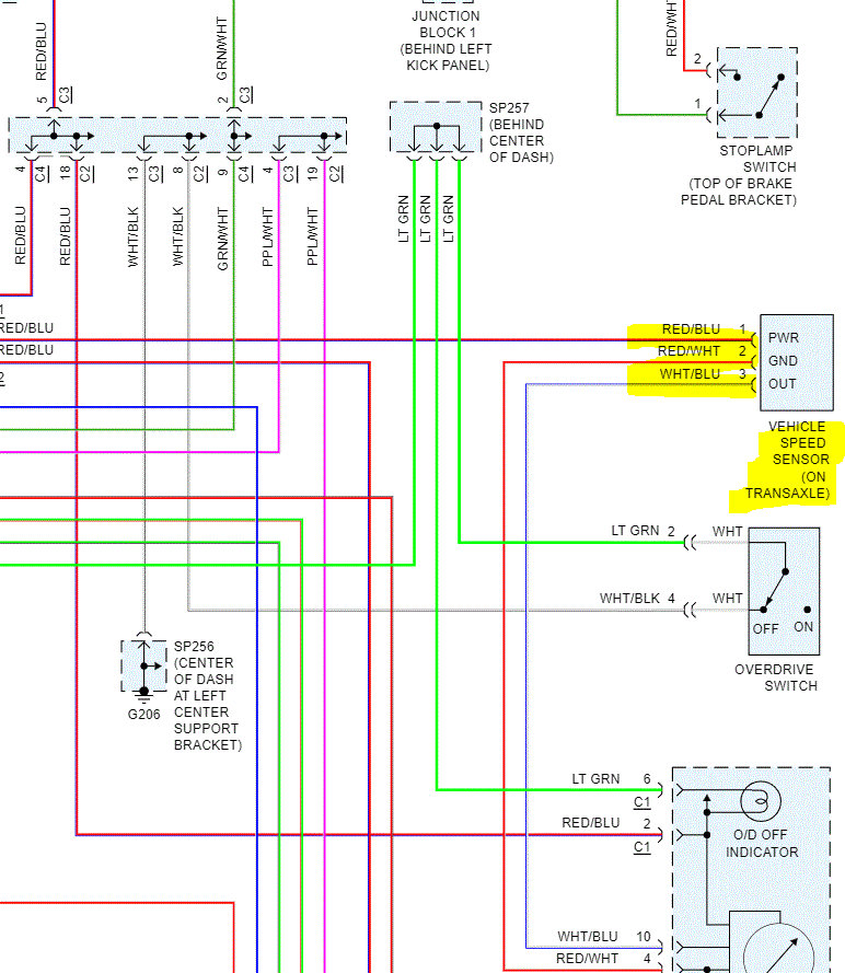
Car parts store put a scan tool on my car, showed speed sensor. The speedometer and odometer disappear from view and then show up again. It is doing this more often and the problem lasts longer. The car listed above has a 5-speed manual transmission. Where is this speed sensor located? I cannot find it looking under the hood.










