Monday, April 26th, 2021 AT 3:25 PM
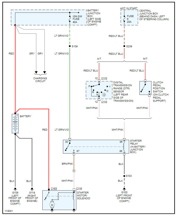
I had a bad battery for a while no money to replace. But when I did replace it I noticed sometimes it would just make one loud click and then nothing. New battery and it's charged! I figured there was a hot spot on the solenoid from all the attempted starts when my battery was bad. Usually if I kept trying it would finally start one time it wouldn't so I let it roll down my driveway until it hit the gutter and then it started. This last time I couldn't get it to turn over at all so I attempted to tap on the solenoid while my friend turned key to crank. It turned over once but then I sparked something and now theres no clicking, no sound nothing. The lights come on windows roll down I swapped the relay with one next to it with same part number. Tried jumping it at the relay. I'm going to lift the car and see if I accidentally disconnected a wire when attempting to get to the solenoid from the top.





