I awaited a car with a boost from a friend but boosting had no effect at all. I got it towed to my driveway and tried to boost it with a big battery pack, and still nothing. I even took the batter out of my 2015 Chevrolet Cruze and attached that, And still. No crank only a single clunk.
Back to when we had boosted the car, we suspected it could be the starter so we gave it a couple whacks with a hammer, it had no effect. The starter does have some rust on it, but I've never had an issue starting it once before, she always used to start in an instant.
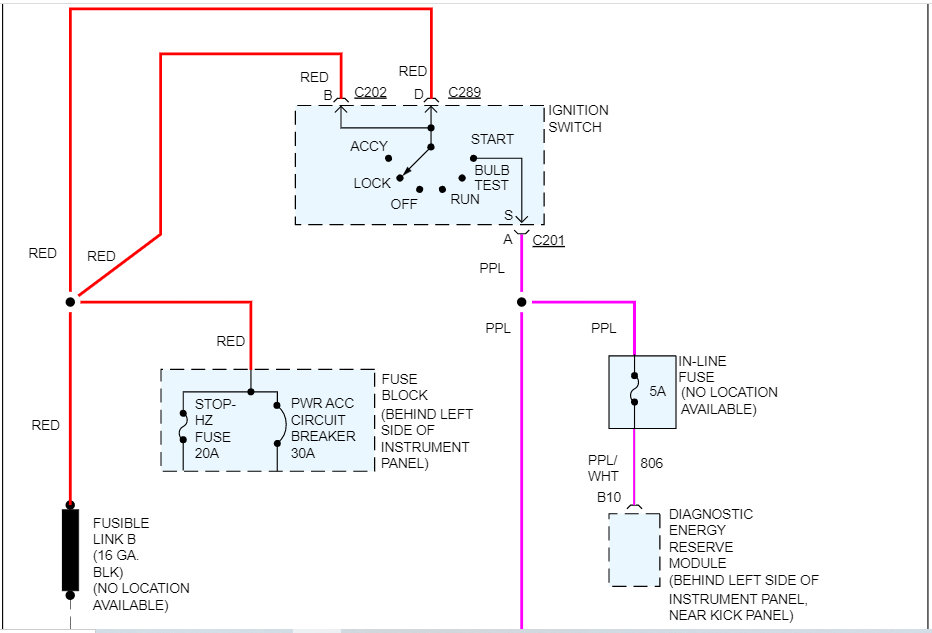
That morning I had found out that my radio was not working. I figured out that it had stopped working due to my lighter port fuse had blown and I replaced it, causing the radio to start working again.
I've checked all the fuses that I know I could and I have not seen any more blown fuses but there definitely could be. Everything ran fine when I left the driveway, but it was on the way back from my girlfriends work when the engine suddenly died.
Does anyone at all know what this possibly could be? I've heard that a relay could be bad, My starter could be bad, my alternator could be bad, a loose ground?
Could this be the cause of poor wiring? The wiring in this van is very shoddy, I bought it 2 years ago from a man who know just as little about vehicles as me. The wiring in this van is a hack job at best. There's all sorts of brakemaster and add-ons I have no clue what they do near my fuse box and a jumble of cables that have been mostly spliced and held together by clamp solders.
Thank you to anyone who sees this and responds. I appreciate you're time and help. I know the bare minimum about vehicles but I'm always happy to learn!
Wednesday, August 24th, 2022 AT 2:18 PM



