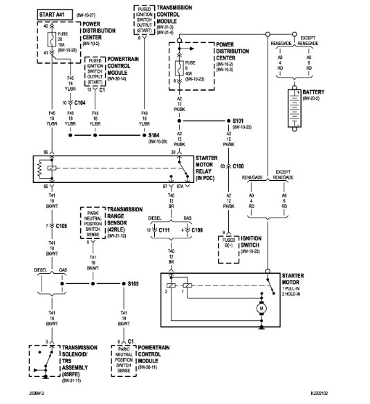
Saturday, January 5th, 2019 AT 8:00 PM
I turn the key, the lights, dash, fuel pump, everything comes on but it will not turn over or engage the starter. Sometimes it cranks over and starts right up, other times it will not turn over at all. If I wait and keep trying it, eventually it will turn over and start. I have checked battery, alternator, starter, all good.


