Tuesday, July 30th, 2019 AT 2:19 PM
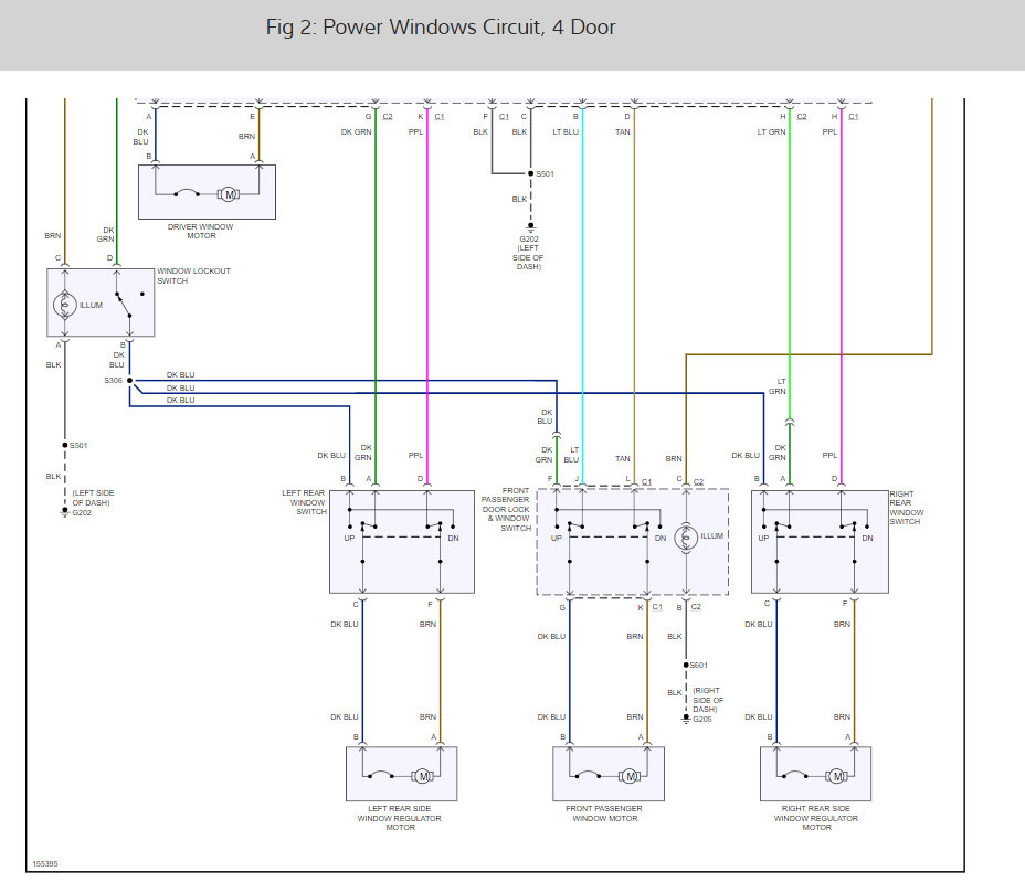
Checked fuses and relay, read other related problems. Mine will not work at all, no noise, no anything. If I pull the fuse out and wait a few seconds then re-install the fuse, the window will release and open. If I close the window and push either the inside or outside release button, nothing. If I remove then reinstall fuse, it will release. I also unplugged the wire from the release motor then plugged it back in and it worked. But neither button will release it. Unplugged and plugged wires into motor several times and the movement seemed to get weaker.







