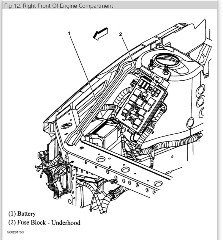
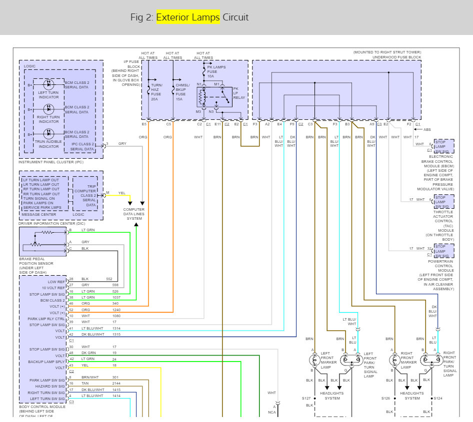
Last weekend this car began blowing the Parking Lamp and the Turn Signal/Hazard warning lamp fuses. I've replaced all the lamps (and the fuses still blow. My thinking is that the Parking Lamp Relay coil is shorted as that is the only other active component in the circuit. However, I can't find the relay.
It is listed on the diagram for the Instrument Panel Fuse box, below a line on the chart with several other relays. The relay is not physically where the diagram indicates. Can you tell me where to find this relay in a 2004 Pontiac Grand Prix GTP? My guess is it's buried under the dash somewhere.
Saturday, September 11th, 2010 AT 11:51 AM






