OBD2 code P0171

Tiny
CMY89ZGOFST
  • MEMBER
  • 2004 CHEVROLET TRAILBLAZER
  • 4.2L
  • 6 CYL
  • 4WD
  • AUTOMATIC
  • 241,000 MILES
Obd2 code p0171 bank one lean. Truck is missing, no power when floored, no other codes. Can anyone tell me were to start without fixing everything scanner says to?
Friday, December 4th, 2020 AT 3:00 PM

5 Replies

Tiny
ASEMASTER6371
  • MECHANIC
  • 52,796 POSTS
Good evening,

This is a lean code. That means you may have a vacuum leak causing this or it could be something else.

https://www.2carpros.com/articles/repair-lean-mixture-codes-p0171-or-p0174-on-some-manufacturers

I attached the flow chart for testing for you. Follow the chart the best you can and let me know the results.

https://www.2carpros.com/articles/how-to-check-fuel-system-pressure-and-regulator

Roy

DTC P0171

CIRCUIT DESCRIPTION
The powertrain control module (PCM) controls the air/fuel metering system in order to provide the best possible combination of drivability, fuel economy and emission control. Fuel delivery is controlled differently during open and Closed Loop. During Open Loop, the PCM determines fuel delivery based on sensor signals, without oxygen sensor (O2S) input. During Closed Loop the PCM adds O2S inputs to calculate Short and Long Term Fuel Trim (FT) fuel delivery adjustments. Short Term FT values change rapidly in response to the heated oxygen sensor (HO2S) voltage signals. Long Term FT values change slower in response to trends in Short Term FT adjustments. Fuel Trim Index is the average of Short Term and Long Term FT and Purge Learn Memory based on engine speed and load. If the PCM detects an excessively lean condition, DTC P0171 sets.

CONDITIONS FOR RUNNING THE DTC
DTCs P0013, P0014, P0016, P0068, P0106, P0107, P0108, P0112, P0113, P0117, P0118, P0120, P0122, P0123, P0125, P0128, P0130, P0131, P0132, P0133, P0134, P0135, P0201-P0206, P0220, P0300, P0301-P0304, P0326, P0327, P0341, P0446, P0483, P0496, P0502, P0503, P0507, P0601, P0602, P0604, P0606, P0641, P0651, P1133, P1516, P1680, P1681, P2101, P2120, P2125, P2135, P2138, P2176 are not set.
The engine coolant temperature (ECT) is between 60-125°C (140-257°F).
The intake air temperature is between -25 and +150°C (-13 and +302°F).
The manifold absolute pressure (MAP) is above 6 kPa (0.9 psi).
The vehicle speed is less than 132 km/h (82 mph).
The engine speed is between 400-5,850 RPM.
The barometric pressure is more than 72 kPa (10.3 psi).
The fuel level is more than 10 percent.

CONDITIONS FOR SETTING THE DTC
The Fuel Trim Index is above 20 percent.

ACTION TAKEN WHEN THE DTC SETS
The control module illuminates the malfunction indicator lamp (MIL) on the second consecutive ignition cycle that the diagnostic runs and fails.
The control module records the operating conditions at the time the diagnostic fails. The first time the diagnostic fails, the control module stores this information in the Failure Records. If the diagnostic reports a failure on the second consecutive ignition cycle, the control module records the operating conditions at the time of the failure. The control module writes the operating conditions to the Freeze Frame and updates the Failure Records.

CONDITIONS FOR CLEARING THE MIL/DTC
The control module turns OFF the malfunction indicator lamp (MIL) after 3 consecutive ignition cycles that the diagnostic runs and does not fail.
A current DTC, Last Test Failed, clears when the diagnostic runs and passes.
A history DTC clears after 40 consecutive warm-up cycles, if no failures are reported by this or any other emission related diagnostic.
Clear the MIL and the DTC with a scan tool.

DIAGNOSTIC AIDS
Test for fuel contamination. Small amounts of water can be delivered to the fuel injectors and cause a lean exhaust indication. A lean exhaust indication can also be caused by too much alcohol in the fuel. Refer to Alcohol/Contaminants-in-Fuel Diagnosis (with Special Tool) or Alcohol/Contaminants-in-Fuel Diagnosis (without Special Tool). See: Computers and Control Systems > Component Tests and General Diagnostics See: Computers and Control Systems > Component Tests and General Diagnostics
The system will go lean if an injector is not supplying enough fuel.
A lean condition could be present during high fuel demand due to a fuel pump that does not pump enough fuel.
Review the Failure Records with a scan tool. If an intermittent condition is suspected, refer to Intermittent Conditions. See: Computers and Control Systems > Initial Inspection and Diagnostic Overview > Intermittent Conditions
Was this
answer
helpful?
Yes
No
Friday, December 4th, 2020 AT 3:19 PM
Tiny
CMY89ZGOFST
  • MEMBER
  • 4 POSTS
I did the fuel pressure test turning the ignition on is roughly 25. In order for me to get the car started I have to turn the key on turn it back off turn it on turn it back off the third time it will start. Indian before that it just turns over fuel pressure after startup is 17-19 somewhere in there the fuel filter fuel pump are roughly a year-and-a-half old. I've replaced the injectors and then it came up as a misfire Sports number 4 cylinder. So I moved a coil pack up to number 2 and came up with a misfire on number two. So I replace a coil pack take care of that problem, but I'm still getting that lean code no vacuum leaks. I replace the forward O2 sensor.
Was this
answer
helpful?
Yes
No
Sunday, December 13th, 2020 AT 12:12 PM
Tiny
ASEMASTER6371
  • MECHANIC
  • 52,796 POSTS
Okay, the fuel pressure is the issue.

Fuel Pressure (Key ON, Engine OFF) .................... 345-395 kPa (50-57 psi)

As you can see the pressure is out of spec. You need to replace the fuel pump.

https://www.2carpros.com/articles/how-to-replace-an-electric-fuel-pump

Roy

FUEL SENDER ASSEMBLY REPLACEMENT

TOOLS REQUIRED
J 44402 Fuel Tank Sending Unit Wrench

REMOVAL PROCEDURE

imageOpen In New TabZoom/Print

1. Remove the fuel tank.

NOTE: Do Not handle the fuel sender assembly by the fuel pipes. The amount of leverage generated by handling the fuel pipes could damage the joints.

2. Use the J 44402 to remove the fuel sender assembly retaining ring.
3. Remove the fuel sender assembly and the seal. Discard the seal.

CAUTION: Drain the fuel from the fuel sender assembly into an approved container in order to reduce the risk of fire and personal injury. Never store the fuel in an open container.

4. Clean the fuel sender sealing surfaces.

FUEL TANK REPLACEMENT (TRAILBLAZER EXT, ENVOY XL, ENVOY XUV)

REMOVAL PROCEDURE

imageOpen In New TabZoom/Print

1. Relieve the fuel system pressure. Refer to the Fuel Pressure Relief Procedure.
2. Raise the vehicle. Refer to Vehicle Lifting.
3. Remove the frame brace.
4. Remove the fuel tank shield, if equipped.
5. Drain the fuel tank. Refer to Fuel Tank Draining Procedure.
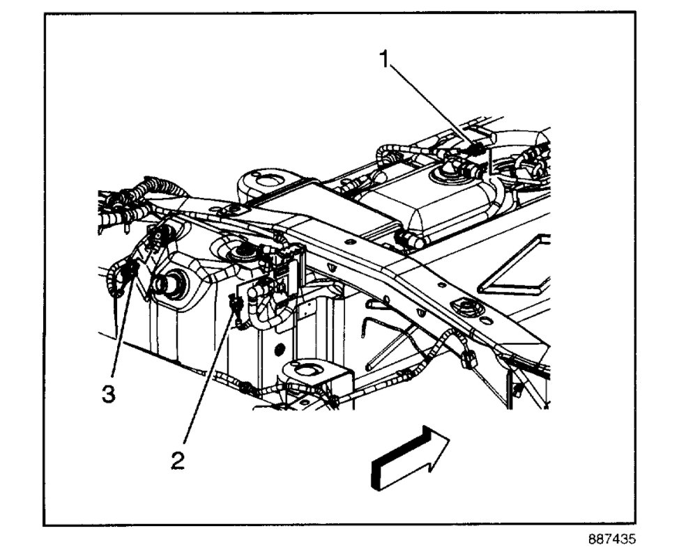
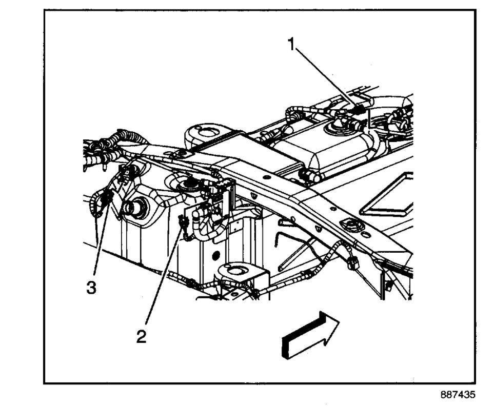
6. Disconnect the fuel tank pressure sensor electrical connector (3).
7. Disconnect the evaporative emission (EVAP) vent valve electrical connector (2).

imageOpen In New TabZoom/Print

8. Disconnect the fuel return pipe, the fuel teed pipe and the EVAP purge pipe (1).
9. Cap the fuel and EVAP pipes in order to prevent possible fuel system contamination.

imageOpen In New TabZoom/Print

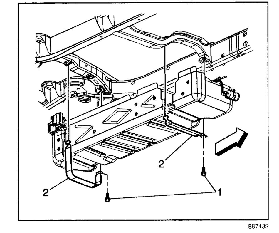
10. With the aid of an assistant, support the fuel tank.

NOTE: Refer to Damage to Fuel Tank Straps Notice in Service Precautions.

11. Remove the fuel tank strap attaching bolts (1).
12. Remove the fuel tank straps (2).
13. Carefully lower the fuel tank.

imageOpen In New TabZoom/Print

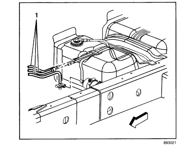
14. Disconnect the fuel sender electrical connector (1).
15. Remove the fuel tank.
16. Place the fuel tank in a suitable work area.
17. If the fuel tank is not being replaced, go to the Installation Procedure.

Was this
answer
helpful?
Yes
No
Tuesday, December 15th, 2020 AT 6:36 AM
Tiny
CMY89ZGOFST
  • MEMBER
  • 4 POSTS
Will replace in the morning. Thank you and let you know what happens.
Was this
answer
helpful?
Yes
No
Friday, December 18th, 2020 AT 9:30 PM
Tiny
ASEMASTER6371
  • MECHANIC
  • 52,796 POSTS
You are welcome.

Always glad to help.

Roy
Was this
answer
helpful?
Yes
No
Saturday, December 19th, 2020 AT 1:09 AM

Please login or register to post a reply.