Monday, October 30th, 2017 AT 10:13 AM
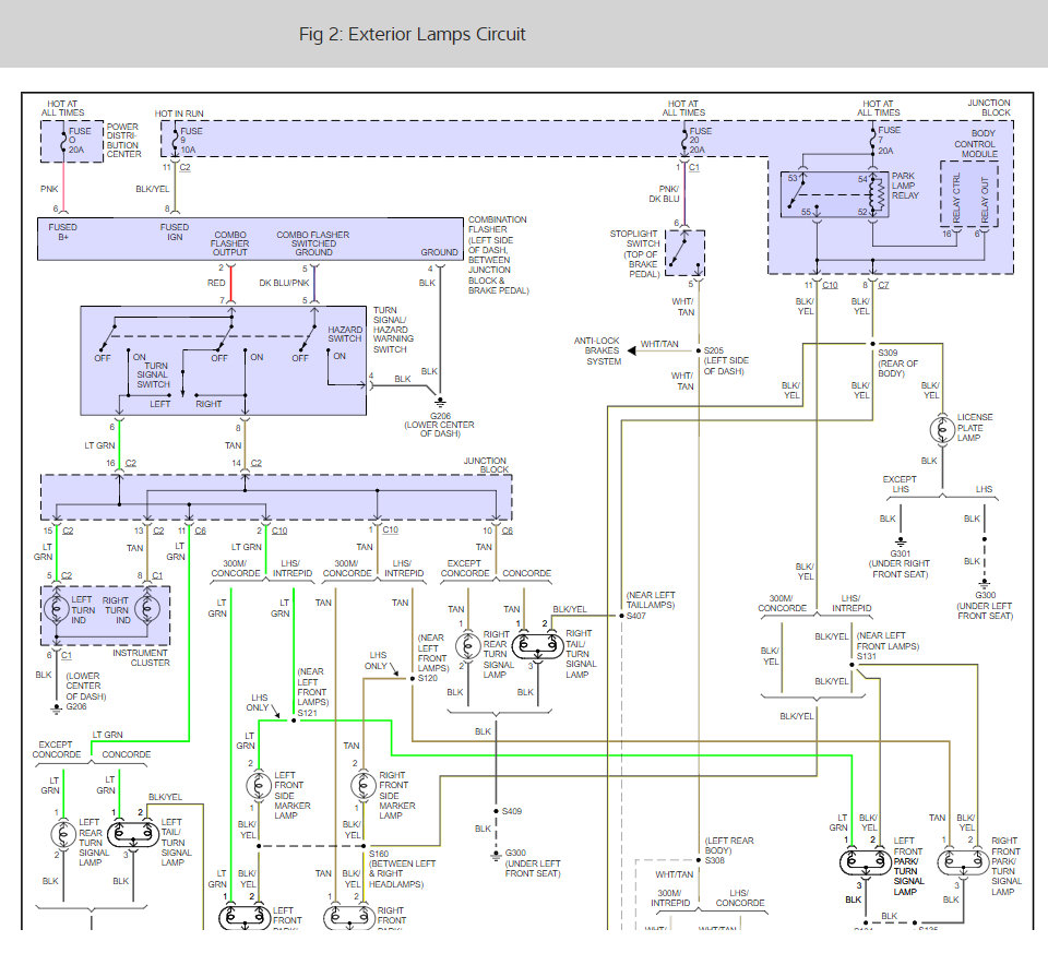
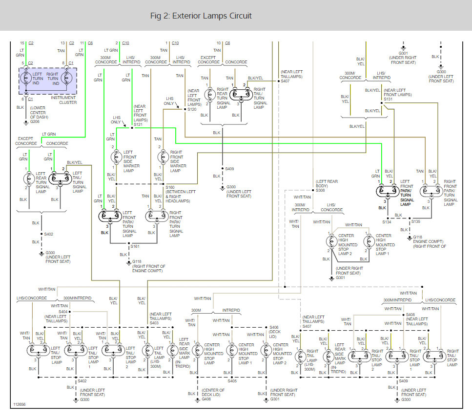
Replaced relay, signal switch in column. If I turn on the flasher nothing happens until I turn on the ignition then the flasher relay clicks but no lights operate in the dash or front or rear of car. As soon as I turn on the blinker either way the relay stops clicking. Both fuses for the system are good have power at the relay on the pink wire always. Power to the black/yellow when key is on. Black wire has ground always as does the blue pink. I thought the blue/pink should strobe with ignition on and blinker set in either direction. All brake/park lights work. Have ground always on the pink and blue wire, with or without the relay hooked up.




