Wednesday, March 11th, 2020 AT 9:57 PM
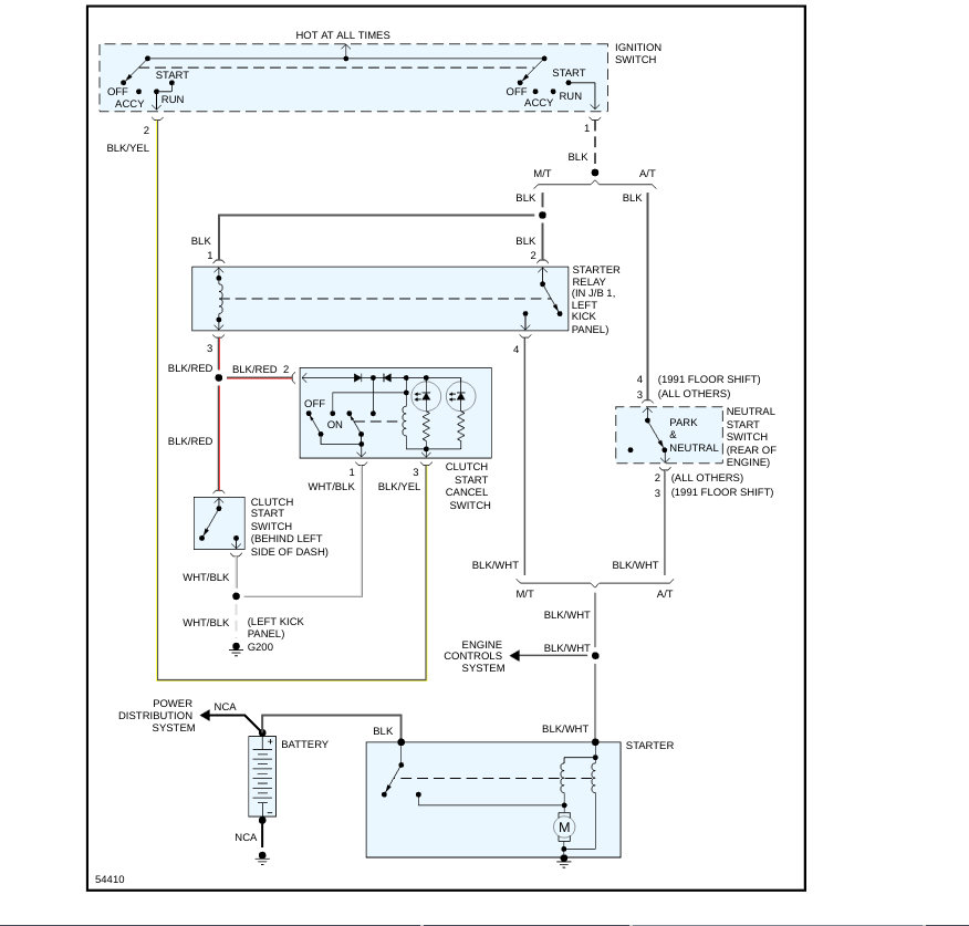
I moved my truck one day and about 2 weeks later I went to crank it and nothing, not even a click. I tested the battery and it was bad. I went to AutoZone and purchased a new battery, and put it in the truck. I have 12 volts. Test light works from positive to block. I have headlights and horn and emergency flashers but no buzzer when key is put into ignition, no fan from the vent, no brake lights. To me it doesn't seem to be a starter issue because I get nothing when I turn the ignition key on. It sounds more like a bad ignition switch. I also used a key my wife had and still nothing. How would I test the ignition switch to seer if it is bad or does it sound like something else?



