At the sensor connector, there are three wires, pink, yellow, and purple. The pink wire is the power supply. The yellow wire is called a sensor return which functions as a ground. The purple is the sensor signal wire. That is what the computer uses to determine the positioning of the engine. See pic 1.
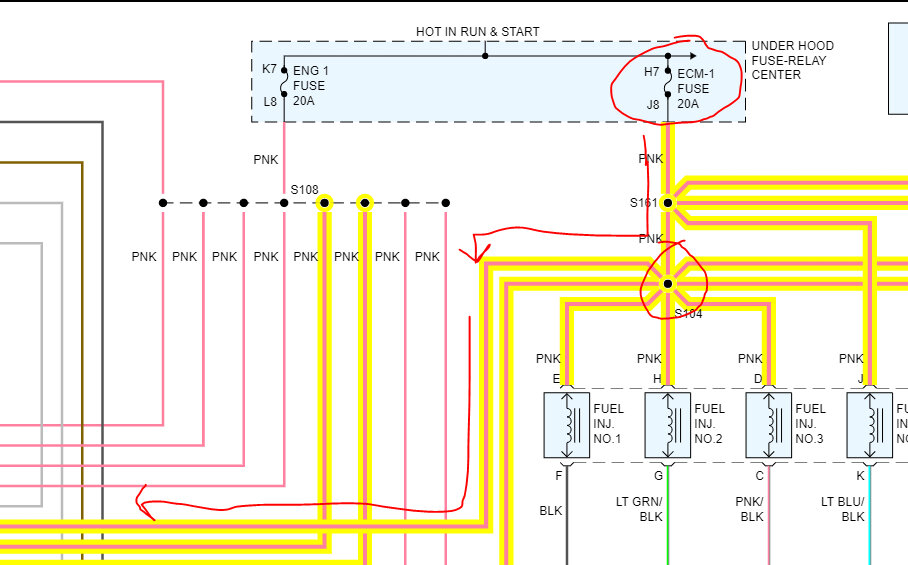
If you don't have power to the pink wire on the connector with the key on, check the ECM 1 fuse in the under-hood fuse box. Remember, you need to make sure there is power to and from it in addition to checking the fuse. (See pic 2)
Note that since the power supply is being provided direct from a fuse, you should see battery voltage (B+).
Let me know if this helps.
Take care,
Joe
See pics below.
Was this helpful?
Yes
No
Saturday, December 24th, 2022 AT 10:47 PM



