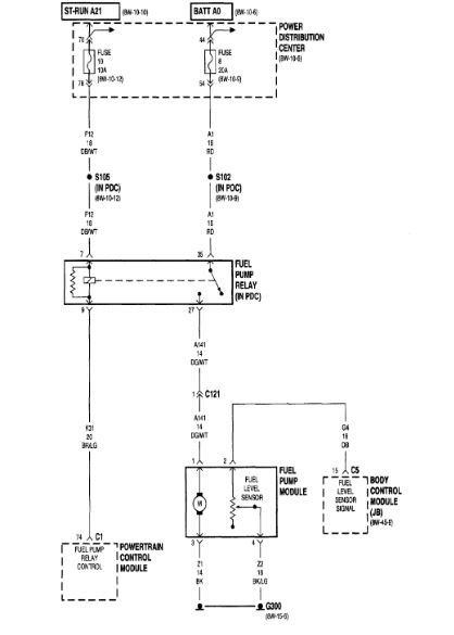
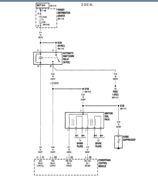
Tuesday, January 15th, 2019 AT 2:36 PM
My car just stopped running when I was driving down the road. It will not start. There's no spark when we try to start it. I've put a new coil pack as well as new spark plugs in, and there's still no spark. There's no noise coming from my fuel pump either. I just don't know what to do.



