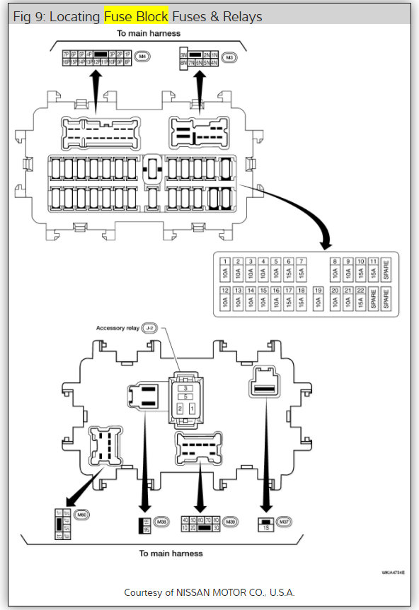
Friday, March 30th, 2018 AT 8:40 PM
Okay the problem I am having with my truck is at first it was cranking but not popping off, so I assumed it was the fuel pump. Replace the fuel pump then I assume that the battery was no good. Replace the battery, then I replace the battery terminals. Then I had the starter checks because it was not turning over anymore. The starter was bad and replace. The truck still will not turn over. I just ordered all new release and very confused do not know what else it could be.
















