Friday, February 10th, 2023 AT 12:29 PM
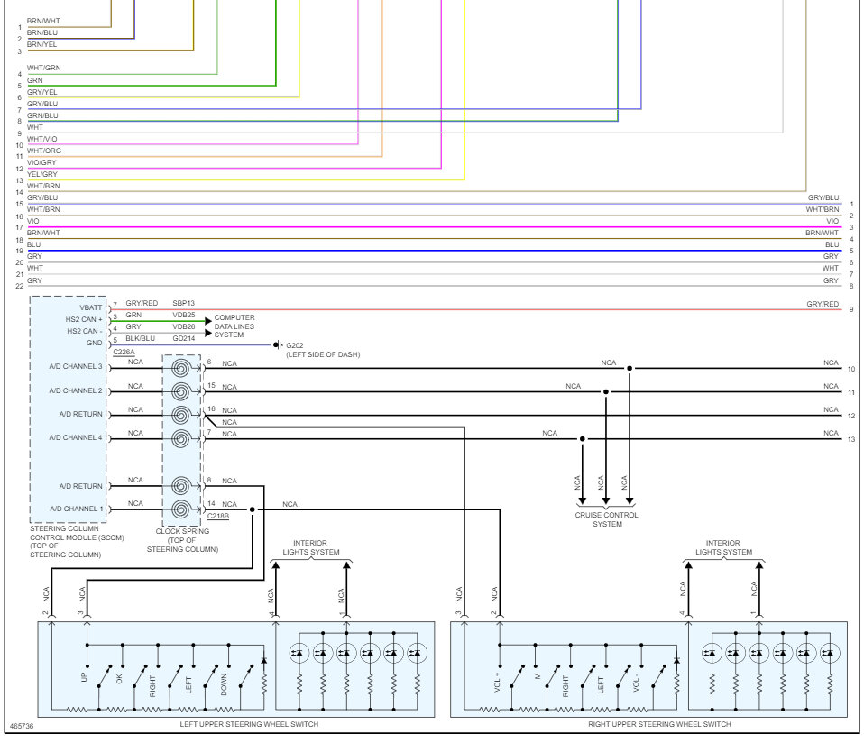
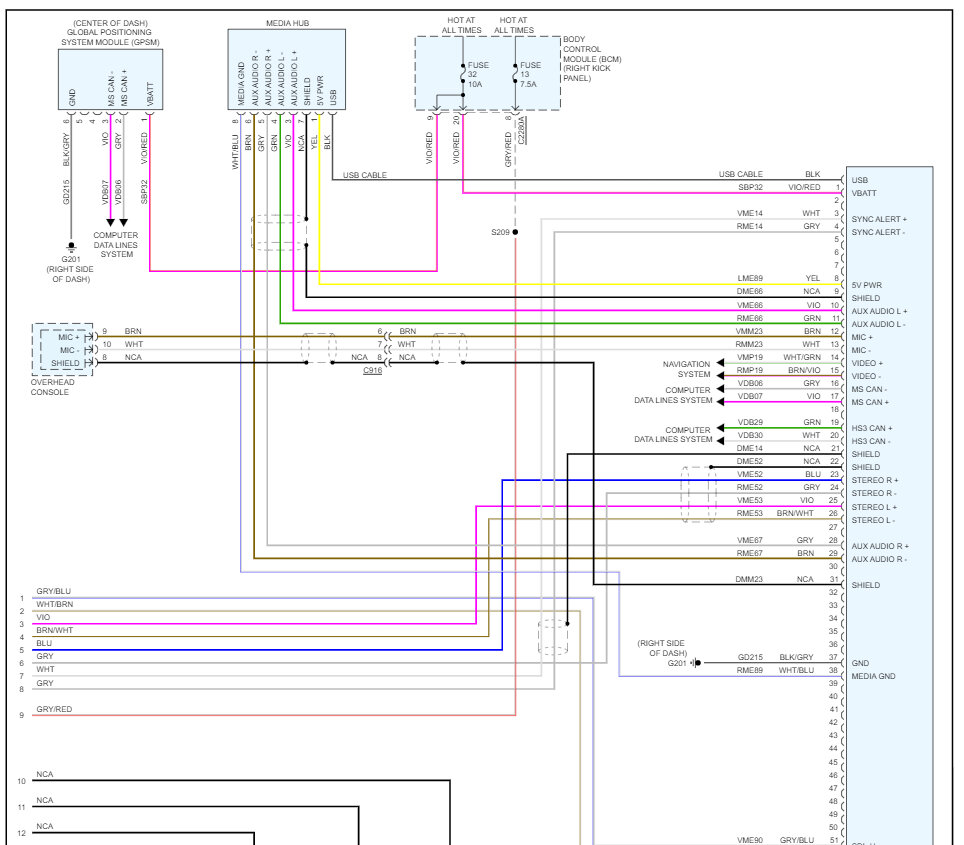
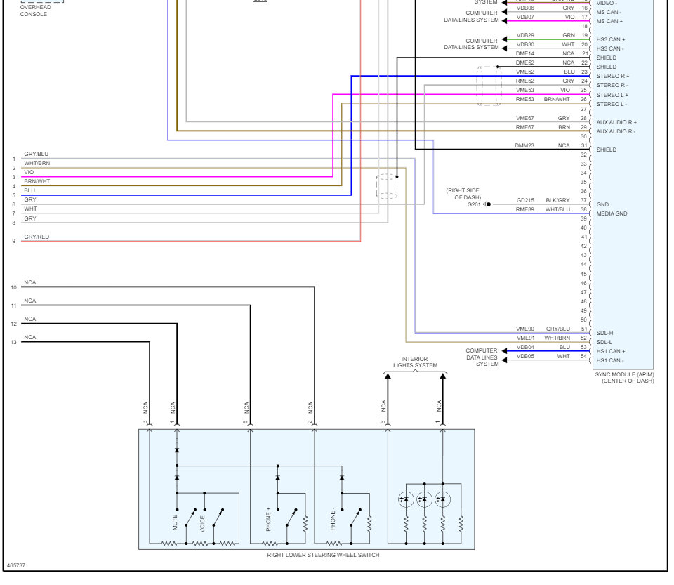
Hi. I am installing Subwoofer in my car listed above GT Convertible. I am keeping the OEM head unit, so I am having to install a line out converter for the RCA plugs. My car has the Shaker OEM stereo system, and I was wondering what the color of the wires going to rear speakers are. I am going to have to splice into them for the LOC or tear all the panels off of the driver's side to get access to the driver's side rear speaker. Splicing might be better because the sub is being installed on the passenger side anyway. Thank you







