Thursday, March 9th, 2006 AT 6:40 PM
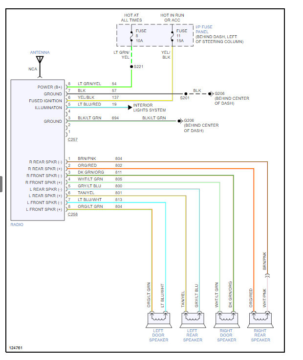
Left rear speaker not working. Replaced with new. Still not working. Is it the wiring or my cd player? How do I rewire the speakers?




