Monday, August 23rd, 2021 AT 4:57 AM
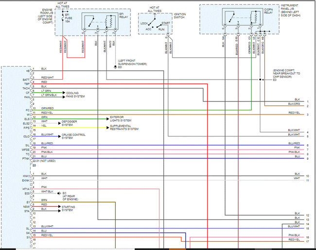
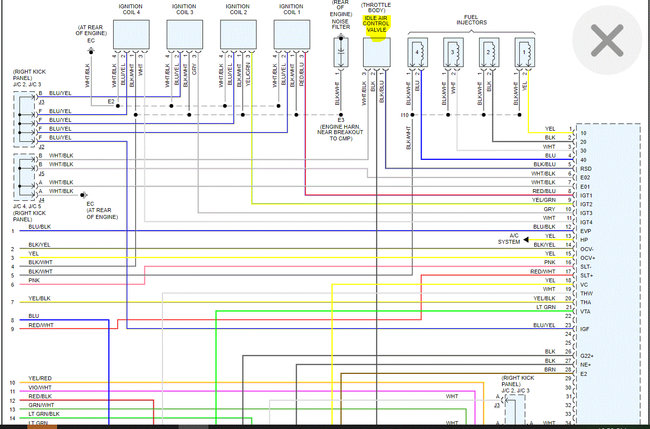
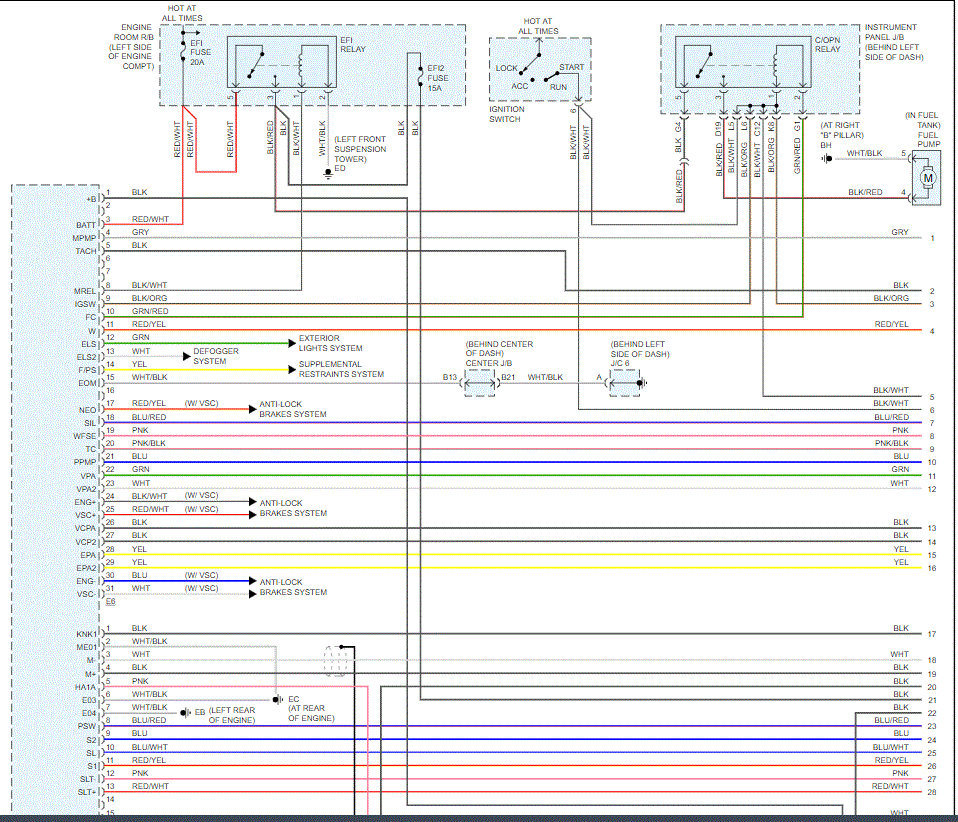
So I had a short in my old wiring harness and wasn't able to locate it and went to local pick a parts and pulled an engine wiring harness from a 2005 Corolla and was told it works for an 2003 Corolla. Well, for the most part they were correct except for the Neutral Safety Switch, and Throttle Body. The 2005 had one connector with all the wiring going into it and 2003 has to connectors for Throttle Body, and Neutral Safety Switch was a tad bit smaller and had 2 wires that were either missing from old connector for me to splice them with and don't know where they go into the old connector, but the wires/colors pretty much matched up but then again not sure if they are correct. I have looked at wiring diagrams and have tried to figure them out and just can't seem to. I would greatly appreciate if some one can break it down to noob terms for me. I am uploading pictures. The picture of the black, white, 2 light green, brown and yellow are the wires that went to Throttle Body connector and the picture of the connector is the Neutral safety switch connector showing the 2 empty spots and the 2 wires are a blue and a blue/red. I'm not sure if it's uploading any of pics. Added pics in reply!


























































